Manual

PN# 500-16150
Page 2 Rev. B, 06/11
3. BI-COLOR LED OPERATION
The bicolor LED can illuminate red or green and has 3 wires attached to it: Red, Green and
Black. Black is common DC negative. Red is the +VDC input to illuminate red. Green is the
+VDC input to illuminate green. Note that the black wire has 2 resistors on it. If the resistors
are left as they are, the LED will operate on 24 volts. For 12 volt operation, remove
the outer resistor. With this set up, you can use either color for your indicator or even
alternate red and green to show 2 different conditions. The LED's could be operated, for
instance, from an SPDT switch to change colors. You cannot, however, drive both sides of
the LED at the same time (the indicator would show orange) or the resistors will be
overloaded. If you need to be able to drive both colors at the same time to display a third
(orange) condition, remove both resistors on the black wire and connect individual resistors on
the red and green wires. The values would be: 620 Ohms 1/2 watt for 12 volts and 1300 Ohms
1 watt for 24 volts.
4. SWITCH LED OPERATION
The switch LED can illuminate green if desired. The black wire is common DC negative, green is
+VDC. The pushbutton is set up from factory as 24VDC. Remove the outer resistor on green
wire to obtain 12VDC operation
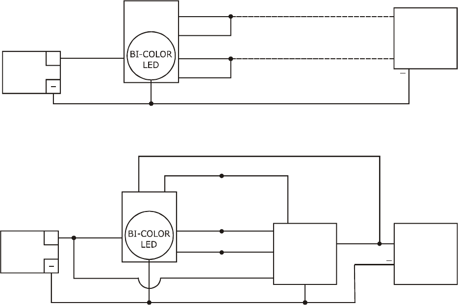
5. WIRING
The PB4L can be used in many different ways but the drawings below show two common
applications. The first shows momentary release of a fail safe or fail secure electric lock. The
PB4L indicators are connected so that the green LED is normally on. When the button is
pressed, releasing the lock, the green LED turns off and the red one comes on. The second
drawing shows timed release of a fail safe electric lock using the PB4L and Securitron's
TimeMate. Momentarily pressing the button will release the lock for the amount of time set on
the TimeMate. The indicator will switch from green to red during the lock release period. The
wiring is also done in double break fashion so that even if the timer fails, the button will still be
able to momentarily release the lock. This is for added safety.
ELECTRIC
D.C. LOCK
PB4L
POWER
SUPPLY
+
RED
GRN/LED
BLUE
RED/LED
BLACK/LED
WHITE
IF FAIL SAFE
IF FAIL SECURE
+
+
MOMENTARY RELEASE OF FAIL SAFE OR FAIL SECURE ELECTRIC LOCK
ELECTRIC
D.C. LOCK
PB4L
POWER
SUPPLY
+
RED
GRN/LED
BLUE
RED/LED
BLACK/LED
WHITE
+
TIMED DOUBLE BREAK RELEASE OF FAIL SAFE LOCK
T
IMEMATE
TM-9
YELLOW
WHITE
BLUE
GREEN
BLACK
RED


