Owner manual

PN# 500-23310
Page 17 Rev. B 06/14
Final Wiring
1.
Pull wires/cables through the wire feed-through hole(s) that are drilled in the frame. All connections
to the terminal blocks may be made by pressing the locking mechanism, inserting the stripped wire
into the terminal recess and releasing to lock the wire in place.
The end user and installer are liable for Fire and Building code compliance.
2.
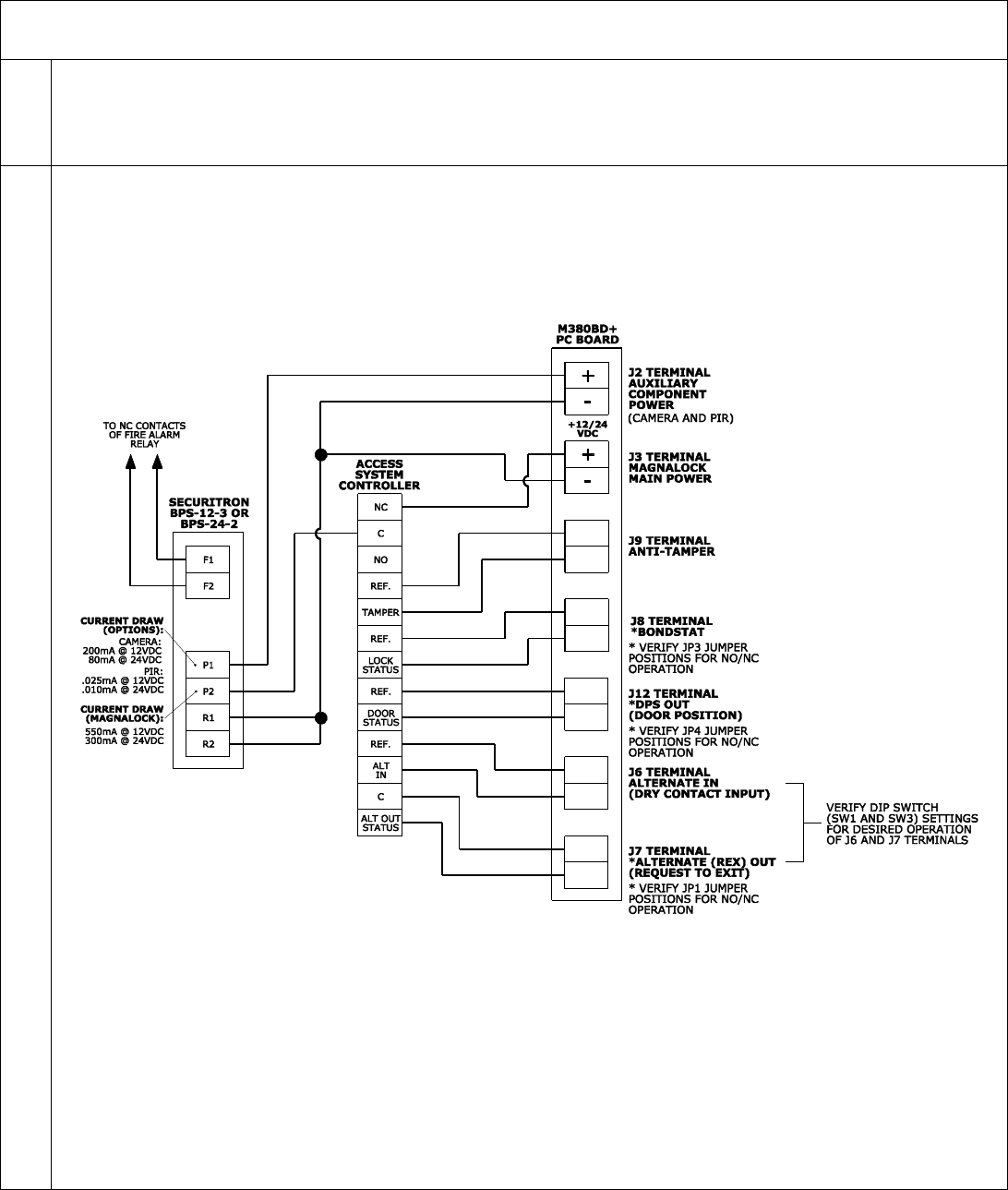
The following diagram shows a basic wiring configuration for the Magnalock.
M380BD/C/C2/X
Note - for UL Installations:
If used, J6 (Alt In) must be connected within the same room as the locking device.










