Manual

20419 80th Ave. So., Kent WA. 98032 USA
Phone: 253-872-0284 Fax: 253-872-0285
www.seametrics.com 1-800-975-8153
4-20mA
Output
-
-
-
-
+
+
+
+
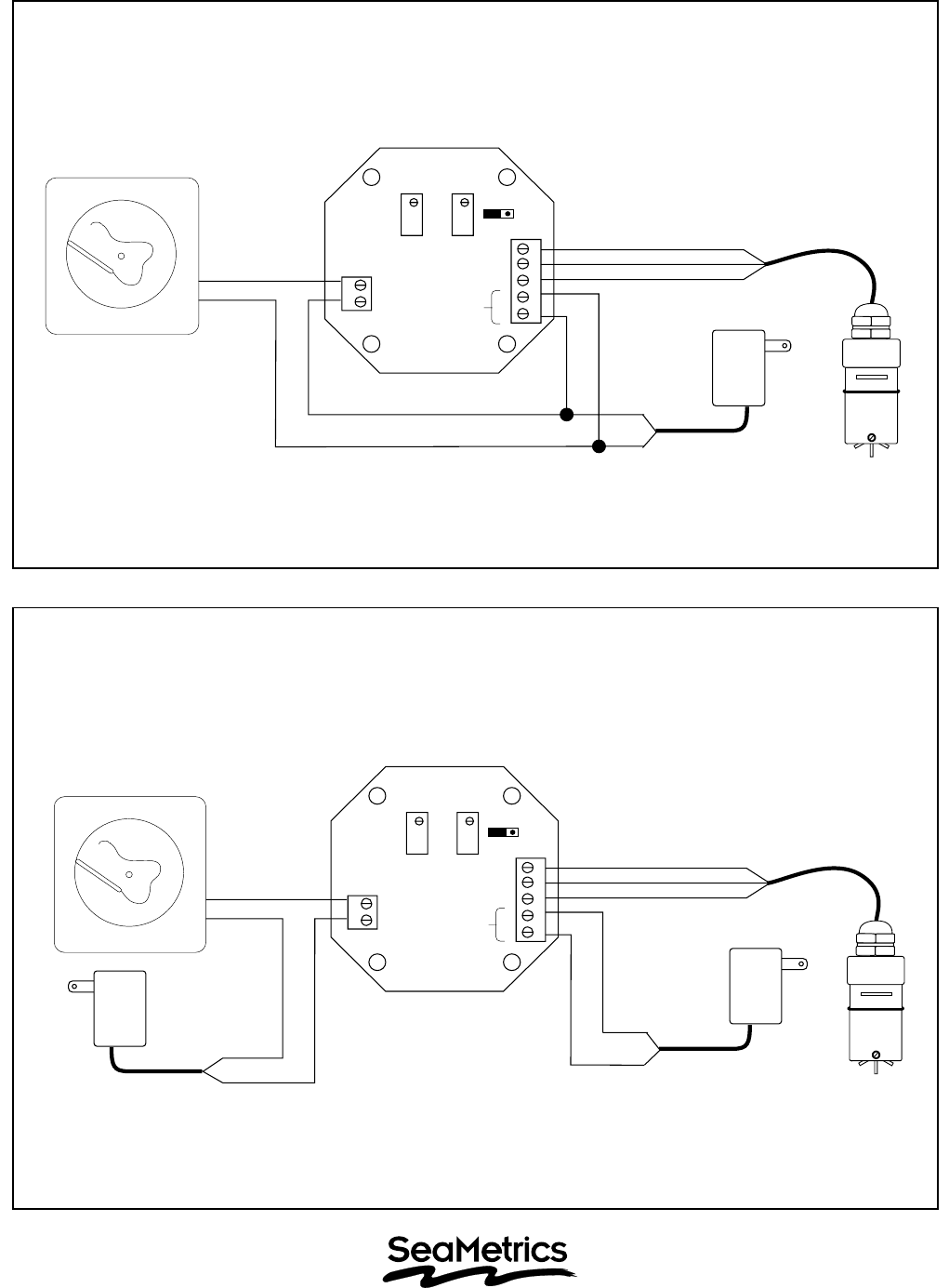
IP Sensor
12-24VDC
4mA
adjust
20mA
adjust
HI
LO
FREQ.
Chart recorder
(or other 4-20
mA input device)
Red
White
Black
-
Signal
+
12-30
Vin
Connections: non-isolated loop power
(standard factory wiring)
Connections: isolated loop power
4-20mA
Output
-
-
-
-
-
+
+
+
+
+
12-30
Vin
IP Sensor
Chart recorder (or other
4-20 mA input device)
Loop power
supply
Converter
power supply
6-24VDC
12-35VDC
4mA
adjust
20mA
adjust
HI
LO
FREQ.
Red
White
Black
-
Signal
+
4 of 4
DISCONTINUED




