Datasheet

Table Of Contents
Recommended
case temperature
measurement location
24 Barracuda LP Series SATA Product Manual, Rev. B
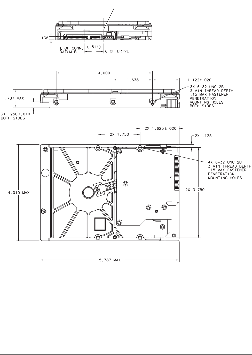
Figure 4. Mounting dimensions (500 GB models)