Service manual

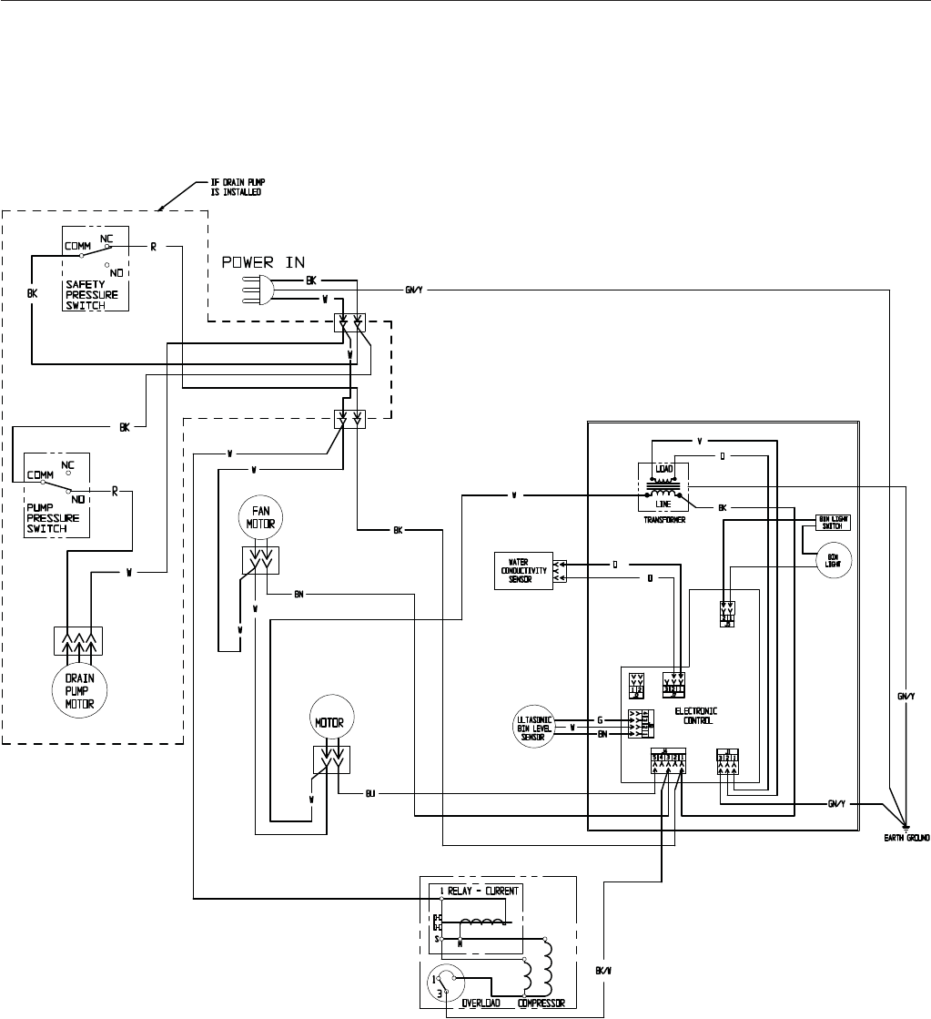
Wiring Diagram
May 2011
Page 10
SCN60
Service Parts
AUGER
AUGER