Owner manual
Table Of Contents
- General Information
- Installation
- Operating the ETC2002
- Connecting to the ETC2002
- Setting Up the ETC2002
- Changing the Password and Security
- Changing Time and Date
- Configuring Local Time Settings
- Configuring Serial Ports
- Configuring the Network
- Configuring Dial-Up Connections
- Configuring Wireless RF Connections
- Configuring Gateway Options
- Configuring Device Routing Table
- Configuring eXpertPower Client
- Configuring Data Server
- Upgrading Device Firmware
- Device Maintenance
- Technical Specifications

Chapter 2 Installation Electrical Installation
ETC2002 Network Communicator 9
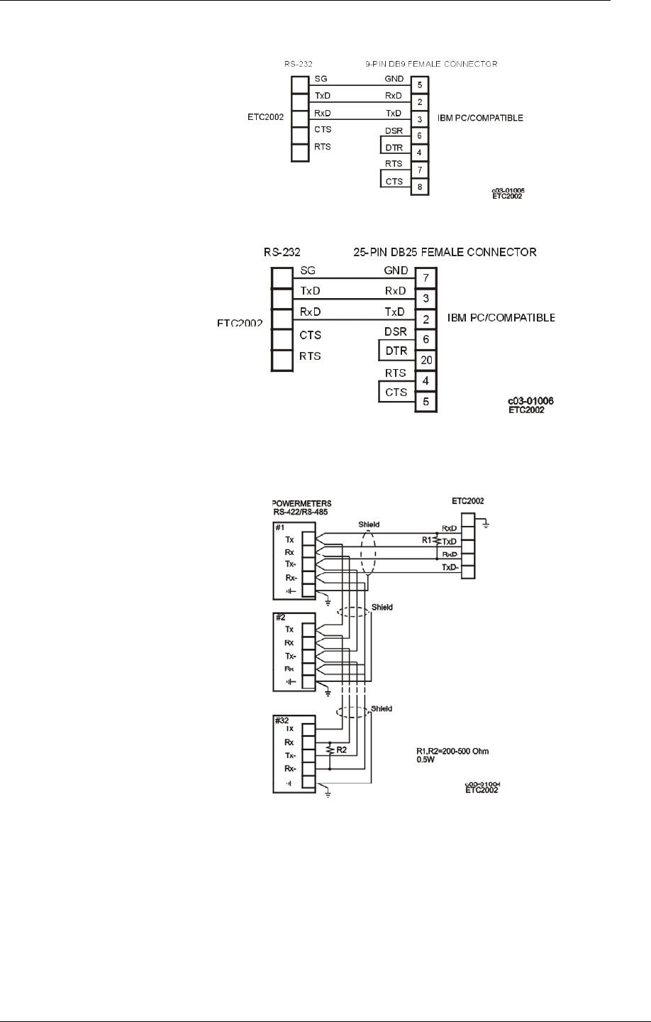
COM3 RS-232 Connection
Figure 2-7 Simple RS-232 3-Wire Connection, 9-pin Female Connector
Figure 2-8 Simple RS-232 3-Wire Connection, 25-pin Connector
COM4/COM5 RS-422/RS-485 Connection
Figure 2-9 Multidrop RS-422 Connection










