Owner manual
Table Of Contents
- General Information
- Installation
- Operating the ETC2002
- Connecting to the ETC2002
- Setting Up the ETC2002
- Changing the Password and Security
- Changing Time and Date
- Configuring Local Time Settings
- Configuring Serial Ports
- Configuring the Network
- Configuring Dial-Up Connections
- Configuring Wireless RF Connections
- Configuring Gateway Options
- Configuring Device Routing Table
- Configuring eXpertPower Client
- Configuring Data Server
- Upgrading Device Firmware
- Device Maintenance
- Technical Specifications

Chapter 2 Installation Electrical Installation
10 ETC2002 Network Communicator
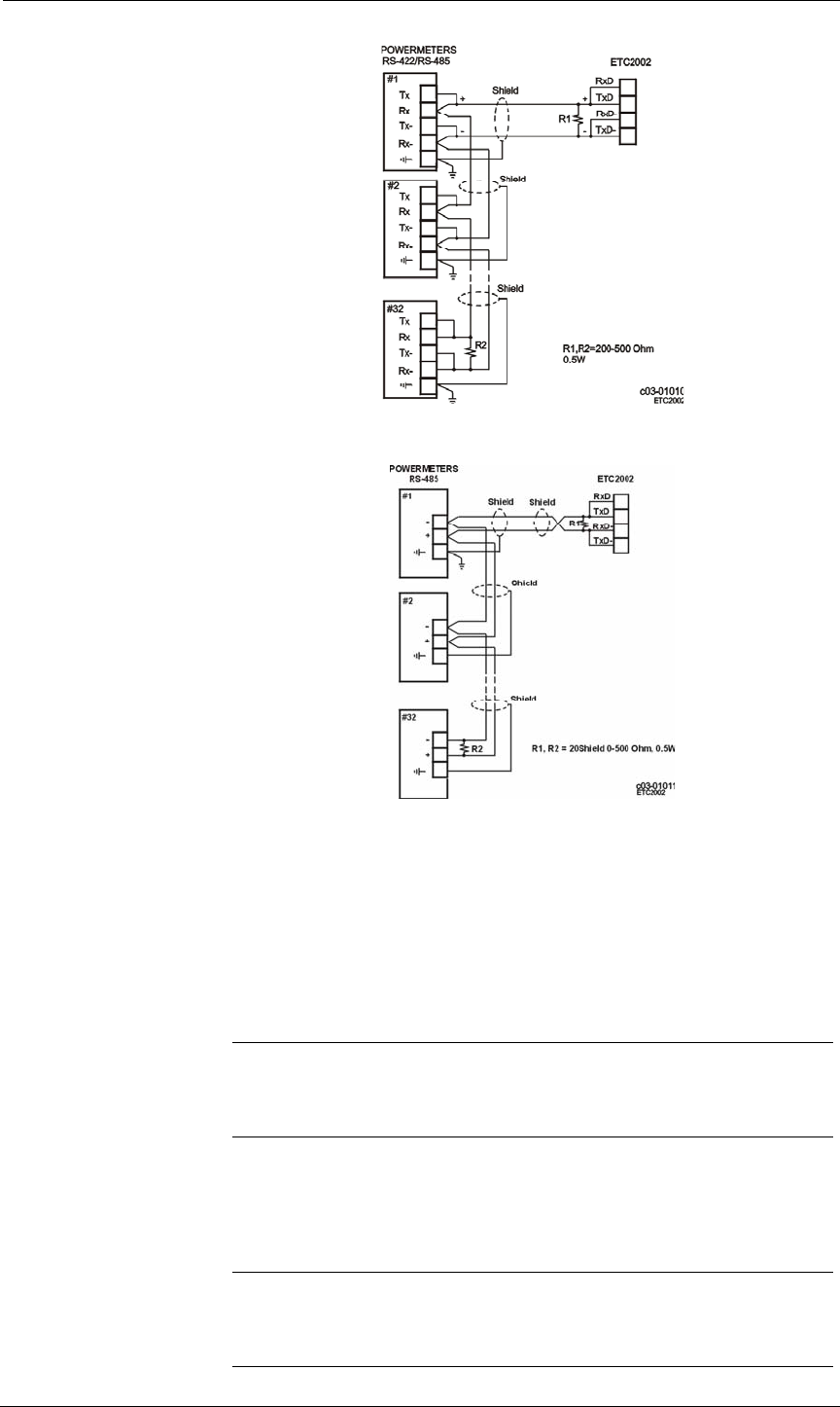
Figure 2-10 Multidrop RS-485 Connection
Figure 2-11 Multidrop RS-485 Connection
Wireless ZigBee RF Modem Connection
An external IP-Link 2000 modem is used for connecting the ETC2002 to a
wireless ZigBee network. Connect the IP-Link 2000 RS-485 terminals A and
B to the COM5 +TX and -TX terminals respectively. Make a short between
COM5 terminals +TX and +RX, and between terminals –TX and –RX. Put a
termination resistor between the IP-Link 2000 terminals A and B.
Ì
If your device is ordered with the wireless RF modem option, the ETC2002
gateway stops operations until it establishes a connection with the IP-Link 2000
modem. Do not disconnect the IP-Link 2000 from the ETC2002 and do not
switch it off while the ETC2002 is operational.
Internet Connections
The ETC2002 is connected to the Internet either via a local Ethernet
network, or via public telephone lines using a Dial-Up PPP connection.
Ì
Connecting a device with the factory-set IP address to the Ethernet network can
disrupt communications if the IP address exists on the network. Change the IP
address in your ETC2002 as instructed in Section 4 before connecting a device to the
network.










