User Manual

4 EM13x Series SMART MULTIFUNCTION METER
To mount the EM13X Series on flat surface:
Locate the EM13X Series on the surface to
Push up the DIN rail brackets to lock the EM13X Series
on the rail.
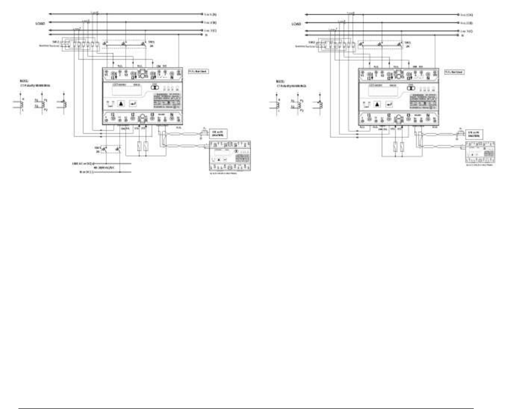
Connecting the EM13X Series Unit
Ensure that all incoming power sources are OFF.
Check that you have the appropriate power supply.
For direct connection, connect to CT wires through the
meter CT terminals. Observe the arrow that indicates
the current direction.
In case of a retrofit application or high current external
SATEC CT (or Split Core) where each external CT ends
with two wires:
Connect the wire to the meter current termination
screws.
Connect the measured voltage inputs
Connect COM1 – RS-485 communication port
In case of EM132/133 model with Aux. Power supply
connect the Power Supply inputs using 1.5
mm
2
/14AWG-dedicated wires.
Common Wiring Mode: EM13x and EM13x-SE 4LL3 or 4Ln3