
Chapter 2 Installation
EM13x Series SMART MULTIFUNCTION METER 29
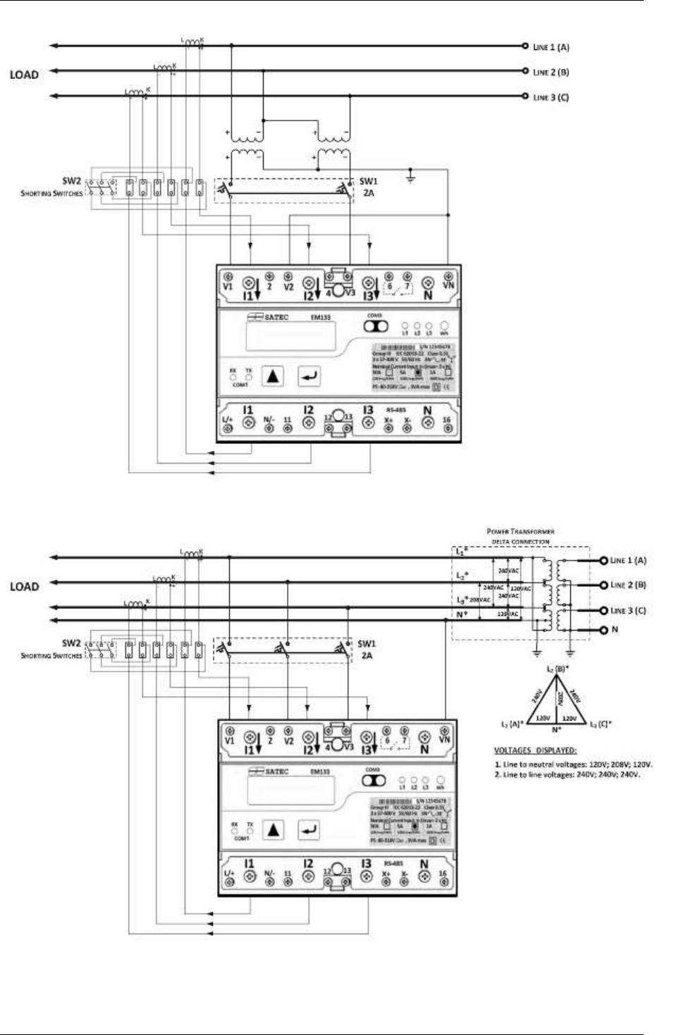
Figure 2-18 3-Wire 2½-Element Open Delta Connection Using 2 PTs, 3 CTs (Wiring Mode = 3OP3)
Figure 2-19 4-Wire 3-Element Delta Direct Connection Using 3 CTs (Wiring Mode = 4LL3 or 4Ln3)