User Manual

Chapter 2 Installation
EM13x Series SMART MULTIFUNCTION METER 21
2.4 Electrical Installation
The equipment installation shall conform to the following
instructions:
a) a switch or circuit-breaker shall be included in the building
installation;
b) It shall be in close proximity to the equipment and within
easy reach of the OPERATOR;
c) It shall be marked as the disconnecting device for the
equipment.
Before installing, ensure that all incoming power sources are
shut OFF. Failure to observe this practice can result in serious
or even fatal injury and damage to equipment.
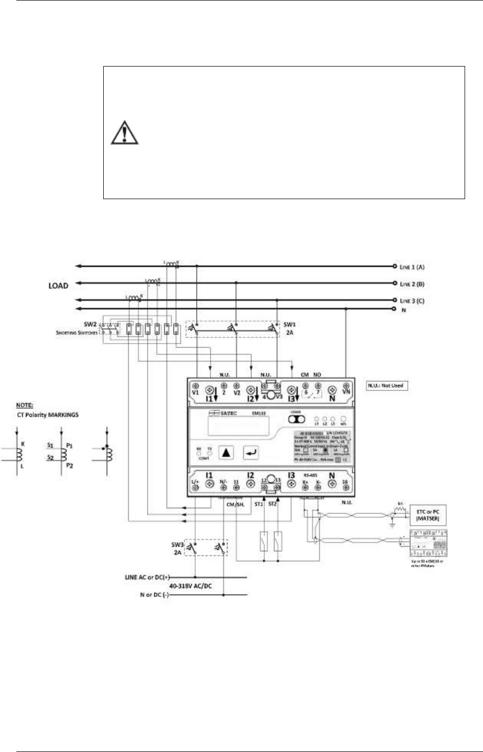
Typical Installation
Figure 2-6a Typical Installation Diagram with Auxiliary Power Supply