Operation Manual

ANSCHLUSS EINES APPLE MACINTOSH
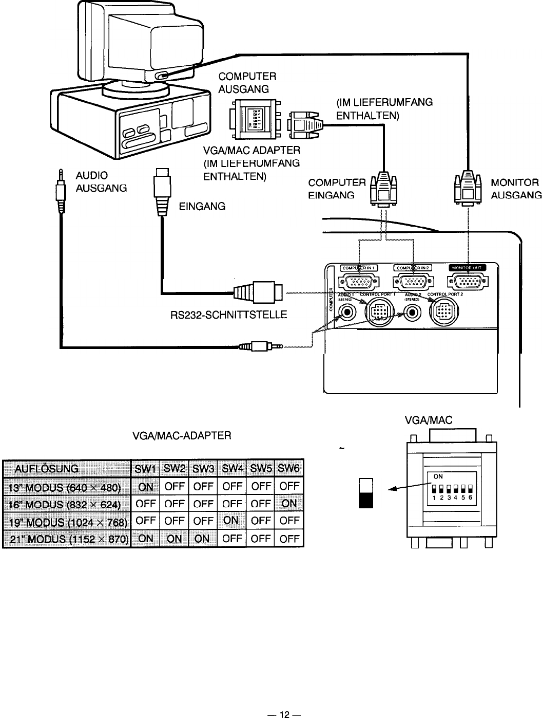
COMPUTER
MONITORKABEL
(NICHT IM LIEFERUMFANG)
VGA-KABEL
ADB-SCHNITTSTELLE
MAUSKABEL FÜR
ADB-SCHNITTSTELLE
(IM LIEFERUMFANG
ENTHALTEN)
RS232-SCHNITTSTELLE
(AUSGANG)
AUDIO-KABEL
COMPUTER
AUDI0 EINGANG
Stellen Sie die Schalter am VGA/MAC-ADAPTER
SW1
-
SW6
ON
i-
OFF
VGA/MAC ADAPTER
HINWEIS: Führen Sie die Anschlüsse wie in der obenstehenden Abbildung gezeigt aus. Schalten Sie nach dem
Anschließen zuerst den Projektor, und erst dann den Monitor und den Computer ein.
-12-










