Yard Vacuum User Manual
Manuals
Brands
Sanyo Manuals
Yard Vacuum
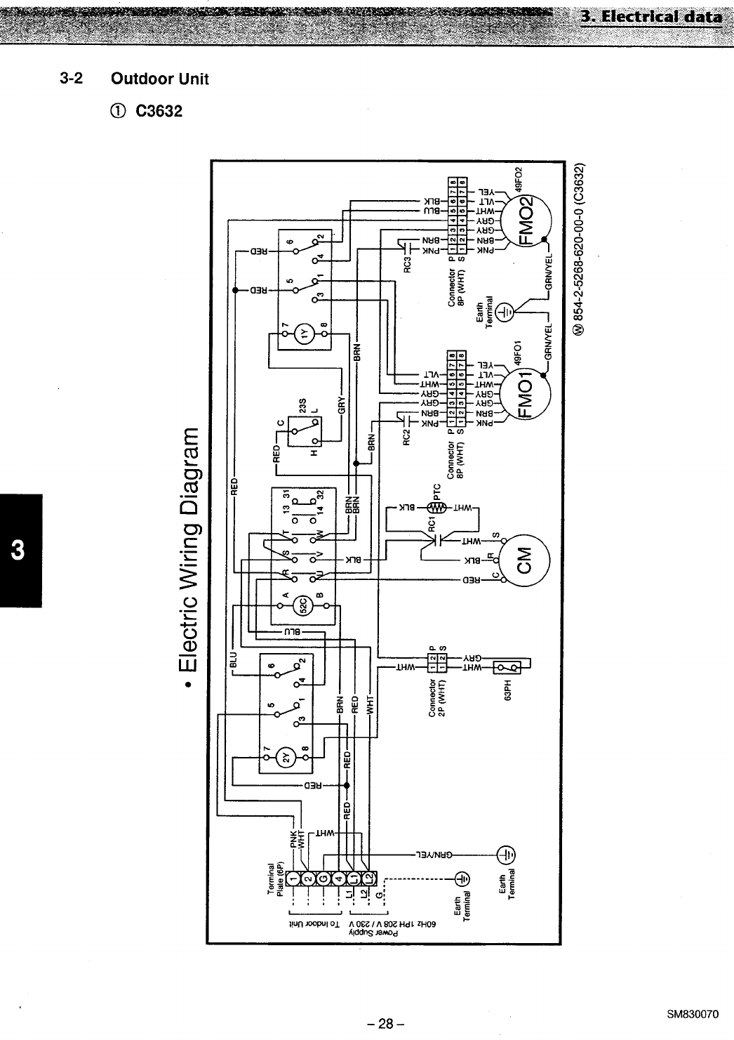
C3632
21
22
23
24
25
26
27
28
29
30
1
...
...
26
27
28
29
30
...
...
50