- RUNCO International OWNER'S OPERATING MANUAL 1080p Digital Light ProcessingTM Projector and Digital High Definition (DHDTM) Controller VX-44d, VX-55d
Table Of Contents
- TWO YEAR LIMITED WARRANTY
- Safety Precautions
- 1. Introduction
- 2. Controls and Functions
- 3. Installation
- 3.1 Remote Control
- 3.2 Quick Setup
- 3.3 Installation Considerations
- 3.4 Installing the Projection Lens
- 3.5 Installing the Optional CineWide Lens Mount
- 3.6 Mounting the VX-44d/-55d
- 3.7 Connections to the VX-44d/-55d and DHD Controller
- Connector Panel Access
- Connecting the DHD Controller to the VX-44d/-55d
- Connecting Source Components to the DHD Controller
- RS-232 Controller Connection
- Connecting 12-Volt Trigger Outputs to External Theater Equipment
- Connecting an External IR Receiver to the DHD Controller
- Connecting to AC Power
- 3.8 Turning on the Power
- 3.9 Adjusting the Picture Orientation
- 3.10 Primary Lens Adjustments
- 3.11 Installing and Adjusting the CineWide Anamorphic Lens
- 3.12 Calibrating Projector Input 2 (DVI)
- 3.13 Working With the Lamp
- 4. Operation
- 5. Maintenance and Troubleshooting
- 6. Serial Communications
- 7. Specifications

Installation
Runco VX-44d/-55d Owner’s Operating Manual 35
PRE
L
IMINAR
Y
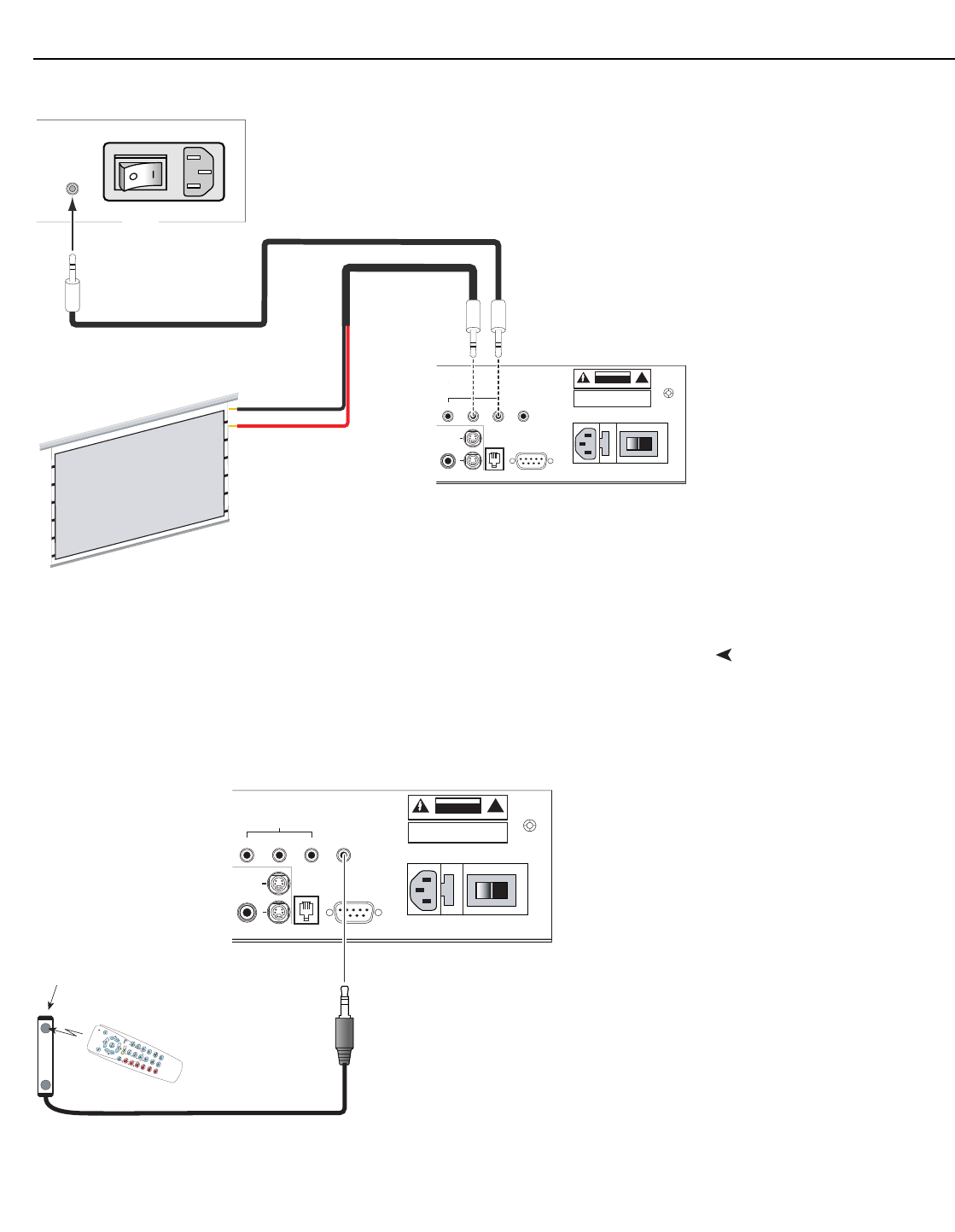
Figure 3-14. Connecting 12-Volt Trigger Outputs
Connecting an External IR
Receiver to the DHD
Controller
If infrared signals from the remote control cannot reach the DHD Controller due to
excessive distance or obstructions such as walls or cabinet doors, you can connect an
external IR receiver to the DHD Controller to extend the range of the remote control. See
Figure 3-15.
Figure 3-15. External IR Receiver Connection
Tip = +12V
Sleeve = Ground
Pb Pr Y
Video
3
IR
RS-232 Control
S-Video 1
S-Video 2
HD1
HD2
1
2
R/Pr G/Y B/Pb
R/Pr G/Y B/Pb H V
DVI 1 DVI 2DVI OutH/VVH
R/Pr G/Y B/Pb
HV
TRIGGERS
RS-232 Out
CAUTION:
TO REDUCE THE RISK OF ELECTRIC
SHOCK, DO NOT REMOVE COVER. NO USER-
SERVICEABLE PARTS INSIDE. REFER SERVICING
TO QUALIFIED SERVICE CENTER.
AVIS : RISQUE DE CHOC ELECTRIQUE-NE PAS OUVRIR
CAUTION
RISK OF ELECTRIC SHOCK
DO NOT OPEN
!
WARNING:
TO REDUCE THE RISK OF FIRE
OR ELECTRIC SHOCK, DO NOT EXPOSE
THIS APPLIANCE TO RAIN OR MOISTURE.
100-230VAC 50-60 Hz, 165 Watts Max
OUTPUTS
INPUTS
SYSTEM CONTROL INTERFACE
Component Video
SDI
Option
Serial No
Video Processor / Controller
Model
Runco International
Union City, CA
Made In USA
DHD Controller
Rear Panel
AutoScope Lens Motor (Rear)
3.5-mm
mini plug
AC Input
Power
Switch
Retractable Screen or other
12-volt trigger-activated
device
Video
3
IR
RS-232 Control
S-Video 1
S-Video 2
1
2
TRIGGERS
RS-232 Out
CAUTION:
TO REDUCE THE RISK OF ELECTRIC
SHOCK, DO NOT REMOVE COVER. NO USER-
SERVICEABLE PARTS INSIDE. REFER SERVICING
TO QUALIFIED SERVICE CENTER.
AVI S: RISQUE DE CHOC ELECTRIQUE-NE PAS OUVRIR
CAUTION
RISK OF ELECTRIC SHOCK
DO NOT OPEN
!
WARNING: TO REDUCE THE RISK OF FIRE
OR ELECTRIC SHOCK, DO NOT EXPOSE
THIS APPLIANCE TO RAIN OR MOISTURE.
100-230VAC 50-60 Hz, 165 Watts Max
SYSTEM CONTROL INTERFACE
Made In USA
Ring = +5V
Tip = IR Input
Sleeve = Ground
(3.5-mm
mini phono
plug)
IR Receiver
Remote
Control










