Instruction Manual
Table Of Contents

Trusted
TM
24Vdc Digital Input FTA T8802
Issue 6 Sep 05 PD-T8802 7
1. Description
The Trusted
TM
60 Channel 24Vdc Digital Input T8802 provides termination for a maximum of 60 input
c
hannels from various types of field devices which generate a digital input. Figure 2 below shows the
configuration of a single channel.
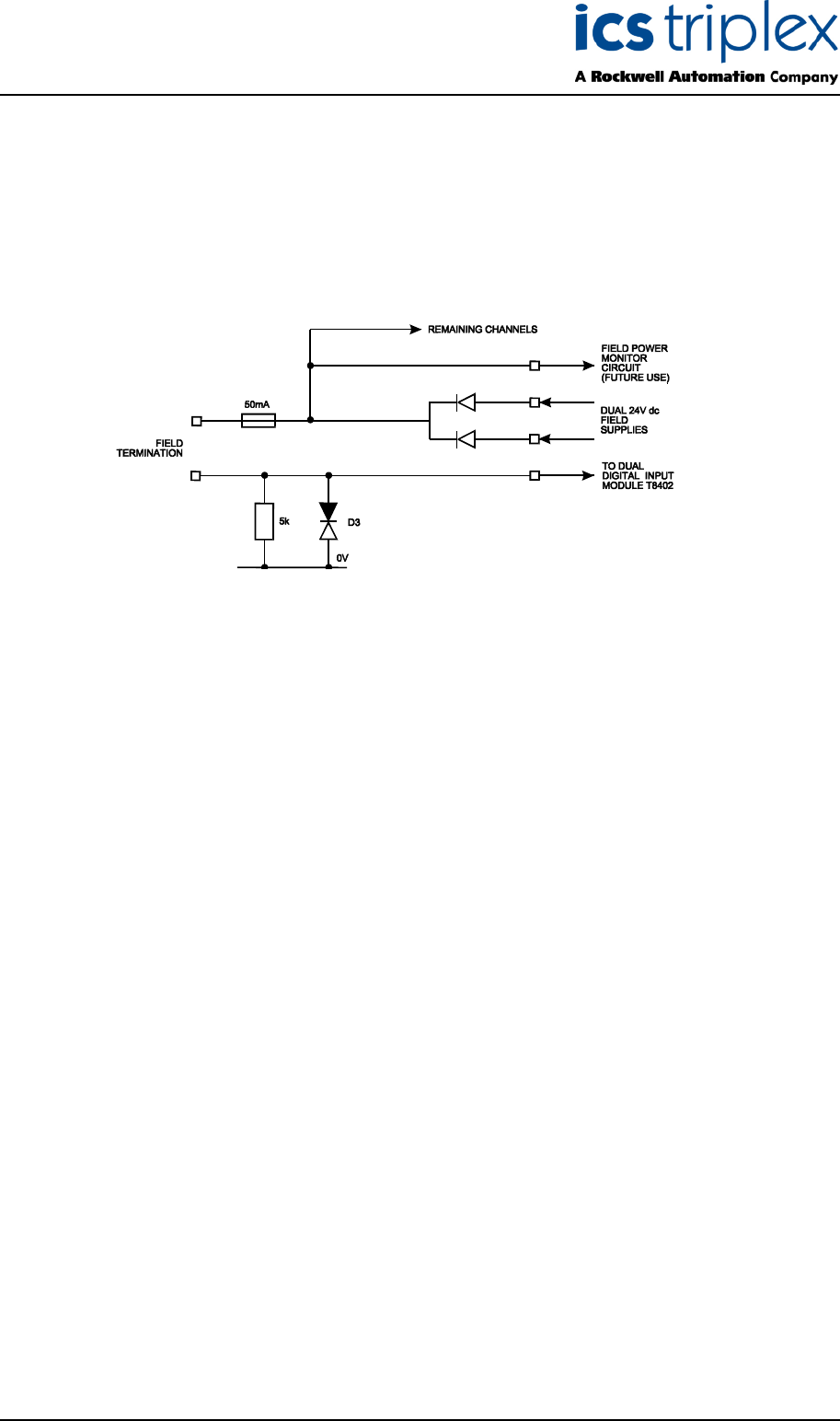
Figure 2 Single Channel Schematic
The field supply is derived from dual 24V dc feeds which are ‘commoned’ via diodes on the FTA. The
supply is then fed to each channel. Channel 0 on the Trusted
TM
Dual 24V dc Digital Input Module will
be configured in the future to provide monitoring of the field power supply.
The supply voltage to the field is fed via the 50mA fuse. The incoming signal (digital) from the field
device is developed across the 5k@ resistor, then connected to the appropriate input circuit on the
Input Module. Electro-static discharge (ESD) transients are suppressed by D3. Line monitoring
components (if required) are fitted to the field device to provide the necessary thresholds used by the
input module to detect the field loop/device status, i.e. open/short circuit, alarm etc.
The connector linking the 60 channels on the input module to the FTA is terminated at SK2 which is a
64-way socket. The SmartSlot connector is SK1 and is a 64-way socket (this socket is no longer
used). The dual 24V dc power supplies are connected to the FTA via a single 4-way connector (PL1).
Ten 12-way connectors are used for the field loops (PL2 to PL9, PL11 and PL12). PL10 is an auxiliary
2-way plug provided for power monitoring purposes (future use).