Manual

B-4
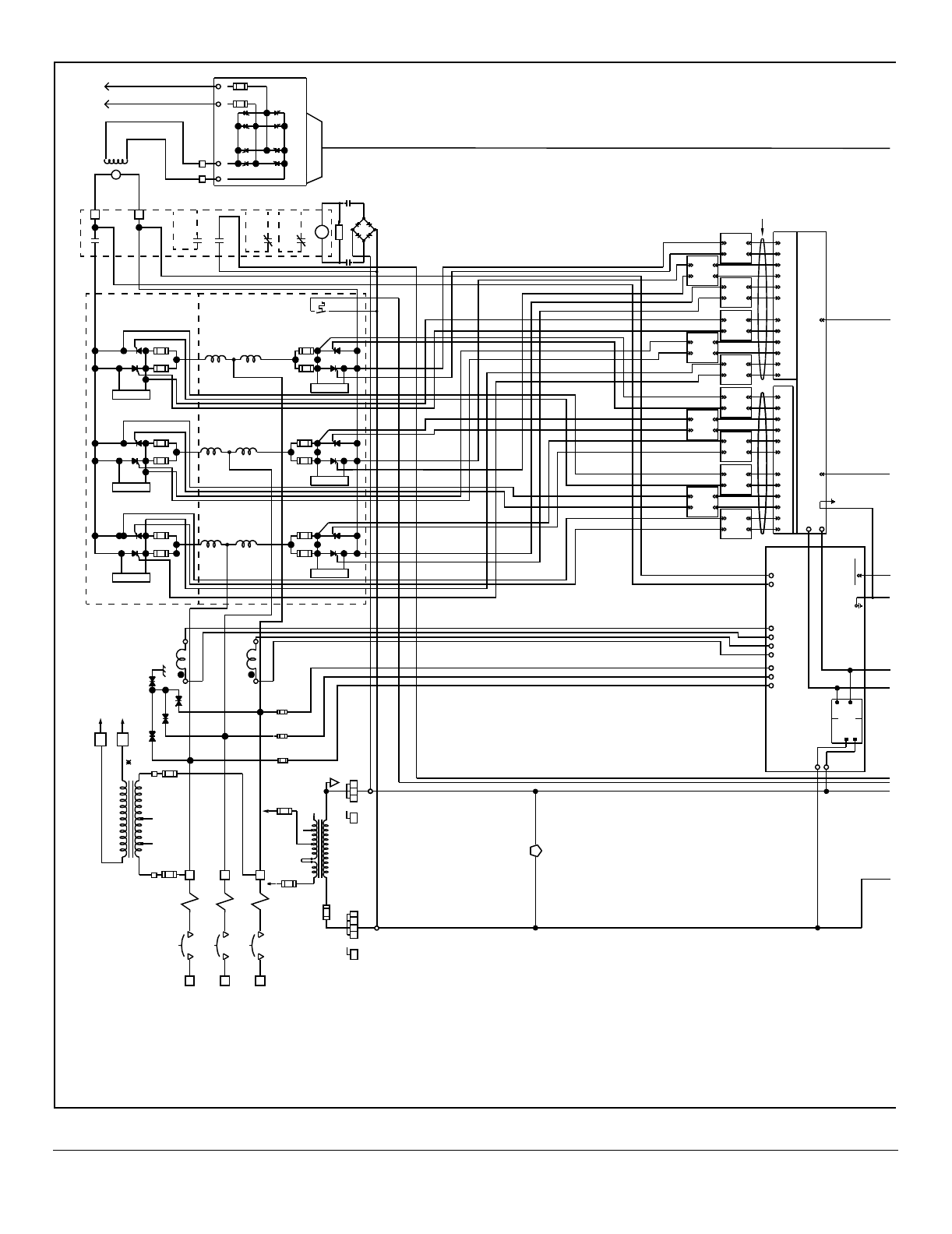
SD3100 Power Modules
Figure B.4 – 1250A and 1650A Power Modules (Regenerative), Sheet 1
P
E
(
8
)
(
7
)
(
6
)
(
5
)
(
4
)
(
3
)
(
2
)
(
1
)
1
0
A
F
1
5
1
0
A
F
1
4
A
U
X
.
O
P
T
.
M
1
A
U
X
.
O
P
T
.
M
1
M
1
(
-
)
(
+
)
X
2
X
2
X
1
X
1
1
.
5
K
V
A
P
T
2
(
-
)
(
+
)
(
A
C
1
)
(
A
C
2
)
5
4
1
6
1
7
1
1
D
1
805427-1
UNIT
FEEDBACK SCALING
1
S
P
4
S
P
3
S
P
2
S
P
1
1
A
F
3
1
A
F
2
1
A
F
1
8
A
1
L
3
1
L
2
1
L
1
5
4
2
8
1
2
8
2
2
8
3
4
3
2
1
3
0
1
9
1
1
9
2
5
7
8
5
S
C
R
F
A
N
B
R
I
D
G
E
(
-
)
BRIDGE
(
+
)
F9B
F9A
F12A
F12B
F8B
F8A
F11B
F11A
F7B
F7A
F10B
F10A
S1
NC.
P
T
5
FUA
F
A
N
1
T
B
1
0
(
1
-
3
)
F
1
6
COMPONENTS
POWER
∗
OPTIONAL
L
3
A
L1A
(
X
1
)
(
X
2
)
(
H
4
)
(
H
2
)
(
H
1
)
5
7
5
V
L
3
A
L
1
A
T
B
2
6
6
0
V
V
A
C
L
3
L
2
L
1
COM
A
C
T
3
A
C
T
1
F
L
D
-
2
(
-
)
F
L
D
-
1
(
+
)
L
3
A
L
1
A
SNUBBER
SNUBBER
SNUBBER
SNUBBER
SNUBBER
DCA1
A
2
A
1
5
R
2
F
3
R
6
F
1
R
4
F
2
R
5
F
6
R
3
F
4
R
1
F
A
U
X
.
O
P
T
.
M
1
M
1
A
1
A
2
M
1
-
X
1
T
U
R
N
1
T
U
R
N
3
1
F
U
B
R
1
2
5
W
M
P
M
P
2
4
J
J
SNUBBER
F
I
E
L
D
P
O
W
E
R
M
O
D
U
L
E
G
A
T
E
S
&
F
E
E
D
B
A
C
K
1
4
P
i
n
C
a
b
l
e
8
0
5
4
0
5
-
5
1
8
1
/
L
1
1
8
3
/
L
3
3
5
3
7
6
0
A
m
p
.
B
/
M
0
-
5
1
3
7
8
-
1
9
P
1
2
1
2
1
6
1
5
5
1
3
3
7
1
1
4
1
4
P
A
R
A
L
L
E
L
G
A
T
E
A
M
P
L
I
F
I
E
R
(
P
G
A
)
B
/
M
O
-
6
0
0
5
6
P
A
R
A
L
L
E
L
G
A
T
E
A
M
P
L
I
F
I
E
R
(
P
G
A
)
B
/
M
O
-
6
0
0
5
6
2
1
2
7
1
1
P
1
6
1
5
1
5
1
4
4
3
1
3
I
N
P
U
T
A
(
F
W
D
M
O
T
O
R
I
N
G
)
(
R
E
V
M
O
T
O
R
I
N
G
)
I
N
P
U
T
B
DRIVER UNIT B/M O-805401-7
L
2
L
1
4
5
4
7
2
8
1
2
8
2
2
8
3
1
9
2
1
9
1
1
9
6
1
9
5
L
2
L
1
1
9
5
1
9
6
AC LINE &
DC ARM
SIGNALS
L
1
L
2
L
I
N
E
L
O
A
D
L
2
L
I
N
E
F
I
L
T
E
R
L
1
1
1
5
V
A
C
E
A
C
H
B
O
A
R
D
=
T
W
O
C
A
B
L
E
S
(
H
3
)
3
8
0
V
A
C
(H5)
(X1)
(
H
1
)
1
1
5
V
A
C
(
H
3
)
(
H
4
)
(
X
2
)
(
H
6
)
(
H
2
)
4
6
0
V
A
C
A
2
A
1
A1
5
A
3
5
TB10 (4-6)
A15F
A11F
A13F
A12F
A14F
A16F
A12R
A14R
A
1
6
R
A15RA11R
(W)H2
K
(
R
)
A13R
G(W)
(R)H1
1
0
0
0
0
:
1
1
0
0
0
0
:
1
TB1
35
37
SALES ORDER SPECIFIC
TB2
TB2
1
K
(
W
)
H
2
K
(
R
)
G(W)
(
R
)
H
1
(
W
)
H
2
K
(
R
)
G(W)
(
R
)
H
1
(
W
)
H
2
K
(
R
)
G(W)
(
R
)
H
1
(
W
)
H
2
K
(
R
)
G(W)
(
R
)
H
1
(
W
)
H
2
K
(
R
)
G(W)
(
R
)
H
1
(
W
)
H
2
K
(
R
)
G(W)
(
R
)
H
1
(
W
)
H
2
K
(
R
)
G(W)
(
R
)
H
1
(
W
)
H
2
K
(
R
)
G(W)
(
R
)
H
1
(
W
)
H
2
K
(
R
)
G(W)
(
R
)
H
1
(
W
)
H
2
K
(
R
)
G(W)
(
R
)
H
1
(
W
)
H
2
K
(
R
)
G(W)
(
R
)
H
1
TB3
5
7
3
1
19
...
5
....
TB3
5
6
2
20
...
4
....
TB2
TB2
TB1
CB11
OR
AC LINE FUSES