Manual

2-6
SD3100 Power Modules
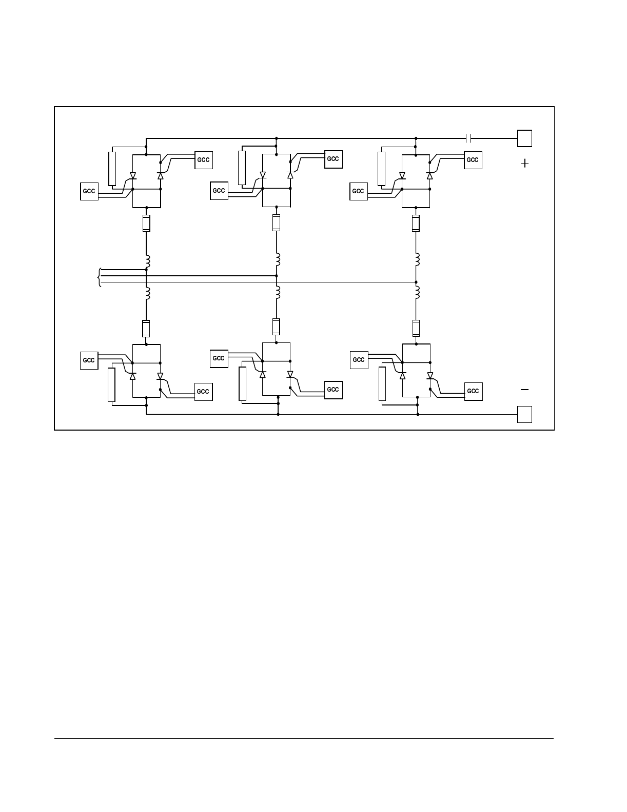
The regenerative bridge, shown in figure 2.4, allows the bridge to direct regenerated
power back onto the incoming lines.
Armature Bridge Components
The armature bridge consists of the following components:
•
Silicon-Controlled Rectifiers (SCRs)
Each Power Module uses silicon-controlled rectifiers (SCRs) in the armature bridge
to switch the incoming 3-phase AC power to DC output power.
These SCRs allow current to flow from anode to cathode when two conditions are
met. First, like a diode, the SCR must be forward biased. Second, an appropriate
pulse must be applied to the gate (through the pulse transformer board).
The current will continue through the SCR until the voltage across it reverses and
the current drops to zero (line commutation).
•
Snubbers
Snubbers (resistor/capacitor assemblies) are installed in parallel with the SCRs to
protect the SCRs from rapid voltage changes (inductive kick) when the SCRs switch
off by suppressing and dissipating the excess voltage.
Figure 2.4 – Armature Bridge (Regenerative)
A1
Armature
Voltage
3-Phase
AC
Input
Main
Contactor
A2
SNUBBER
SNUBBER
SNUBBER
SNUBBER
SNUBBER
SNUBBER