
Installation Guidelines
3-7
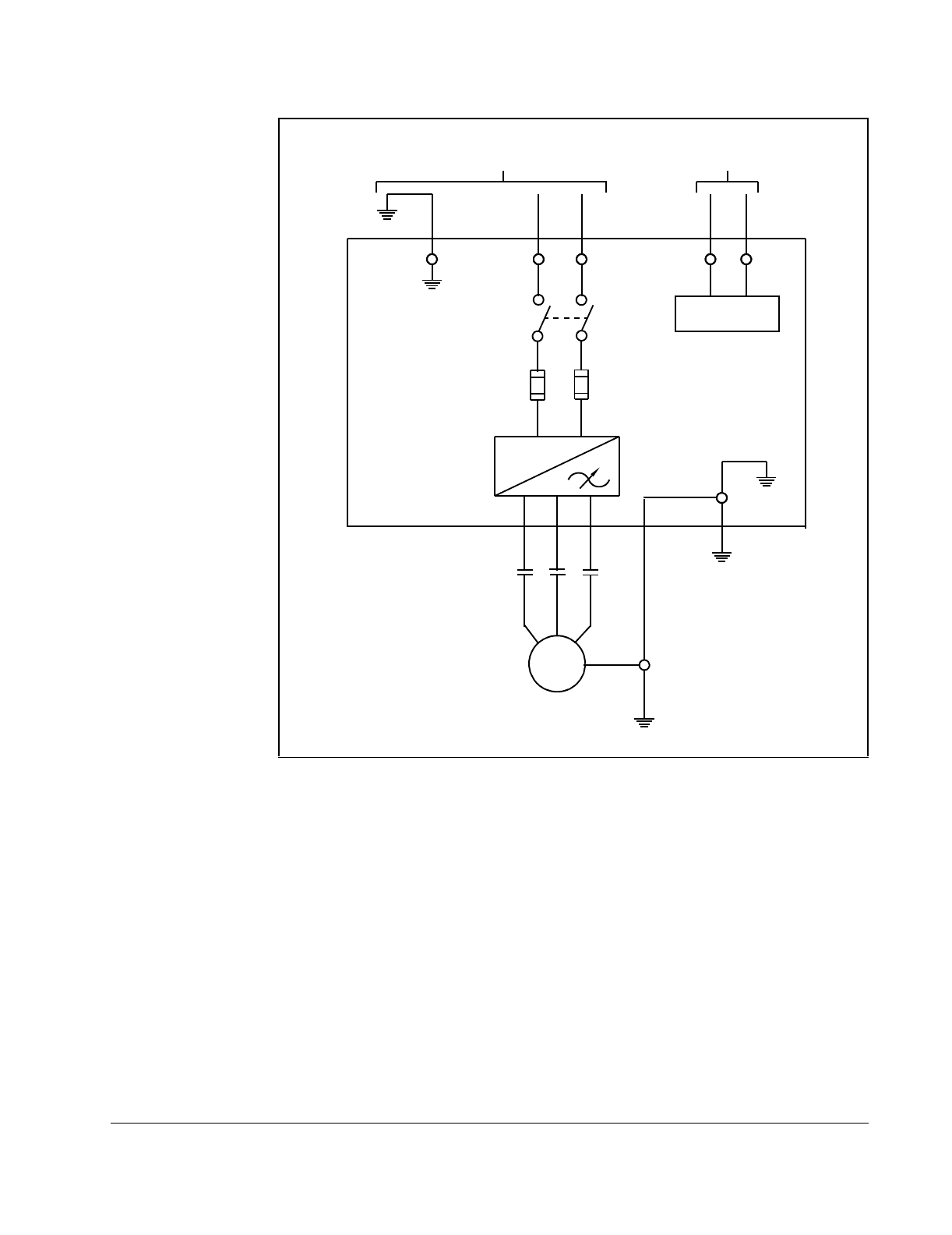
Figure 3.4 – SA3000 Power and Ground Connections
INPUT VOLTAGE
115 VAC
VOLTAGE 775V
DC BUS INPUT
GND
FUSE
CONNECT BLOCK
115 VAC QUICK
POWER MODULE
NL
4745
+
–
GND
SA3000
MOTOR
OUTPUT CONTACTOR
(OPTIONAL)
MANUAL
DISCONNECT
UV W