Manual

3-6
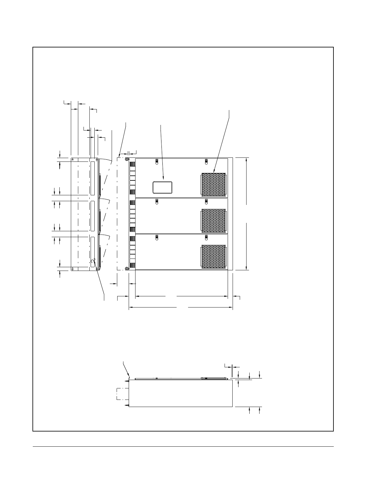
High Power SA3000 AC Power Modules
Figure 3.3 – 1457A Power Module Mounting Dimensions (Triple-Bay)
DRIP SHIELD
FILTERS & FANS
(127.0)
(127.0)
(241.3)
(101.6)
2.875
RH DOOR WIDTH = 32.75 (831.9)
(IF USED)
METER LOCATION IN DOOR
OUTLINE OF OVERHEAD ENCLOSURE
1.37
(711.2)
(635.0)
25.00
25.00
1.00 (25.4)
*
PROTRUSION
(2387.6)
(101.6)
(1965.5)
(2203.5)
86.75
77.37
5.38
(
7
3
.
0
)
(148.6)
(76.2)
(635.0)
(76.2)
LENGHT 1.50 (38.1)
MTG STUD - MIN
(34.8)
(568.5)
(603.3)
(136.7)
CONDUIT PLATES PROVIDED
AVAILABLE CONDUIT
ENTRY AREA IN HOOD.
MAX CONDUIT
DOOR SWING = 120°
LH & CENTER DOOR WIDTH = 29.5 (749.3)
22.38
23.75
.50 D (12.7)
4.00
94.00
3.00
28.00
3.00
5.85
4.00
9.50
5.00 5.00
WEIGHT = 3085 LBS (1398 KG)
DC TOP HAT ENCLOSURE INSTALLED
COMMON DC BUS ENCLOSURE INSTALLED - 10.00 (254.0).
∗
ADDITIONAL HEIGHT:
ALL DIMENSIONS ARE IN INCHES (MILLIMETERS)
- 19.00 (482.6).