Manual

2-10
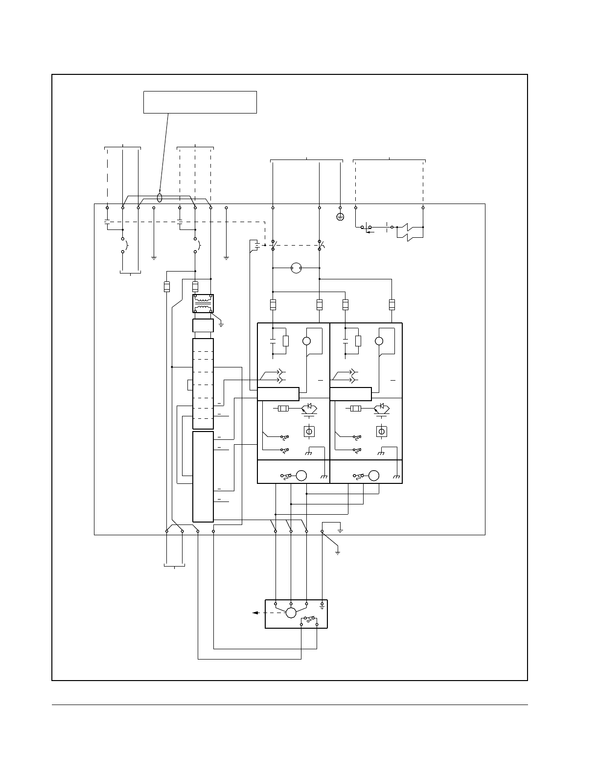
High Power SA3000 AC Power Modules
Figure 2.6 – 972A SA3000 Power Module Circuitry
C
B
1
1
C
B
1
P
R
E
C
H
A
R
G
E
(
O
P
T
I
O
N
A
L
)
Y
Y
Y
4
5
Y
Y
Y
4
7
DISCONNECT
DC BUS
(OPTIONAL)
DOOR
SOLENOID
(OPTIONAL)
0-1000 VDC
(OPTIONAL)
115VAC FROM A-C
DISTRIBUTION
X
X
X
L
1
A
X
X
X
L
2
X
X
X
L
1
CONDITIONED POWER
FROM CRITICAL 115VAC
SUPPLY DISTRIBUTION
NOTE: THESE JUMPERS ARE REMOVED
WHEN A SEPARATE 115 VAC SUPPLY
IS USED FOR THE PMI RACK.
X
X
X
1
L
1
A
X
X
X
1
L
1
X
X
X
1
L
2
X
X
X
G
R
D
TO
THERM
M
MOTOR
U
V
W
G
P1 P2
X
X
X
W
X
X
X
V
X
X
X
U
GRD
Y
Y
Y
G
R
D
800VDC FROM SB3000
RESOLVER
K
1
1
A
R
K
1
1
A
K
1
1
B
R
K
1
1
B
BYPASS
INTERLOCK
D1
S.R.
D3
W
W
W
D
1
(
R
E
D
)
D2
W
W
W
D
2
(
R
E
D
)
(+) (-)
LEM
WARNINGWARNING
LEM
BLOWER ASSEMBLY
U V
M
FAULT
BLOWER ASSEMBLY
W GRD
M
FAULT
RCV
BLU
F103A-105A
PRE-CHARGE
BOARD
ORG
GATE
DRIVERS
XMT
F
1
0
1
A
47
RCV
A
BLU
PRE-CHARGE
BOARD
F103B-105B
ORG
XMT
GATE
DRIVERS
B
F
1
0
2
A
F
1
0
1
B
F
1
0
2
B
45 GRD
SA3000
INVERTER
GDI
I/O CARD
TO DRIVE
115VAC
X
X
X
L
X
X
X
N
L
LEM
P1
CON5
X
X
X
P
1
N
X
X
X
P
2
P2
CARD
CON1
GDI
GDI
GDI
LEM
LEM
B
A
LPI
GDI
CON1
CON1
B
A
B
BLOWERS
BELOW
TO
25A
L1AL1A L1 L2
3
.
2
A
3
F
U
GRD
1L1A
115VAC FROM A-C
DISTRIBUTION
2
5
0
V
A
RACK
PROC
INTER
DRIVE
I/O
POWER
TECH
PARA
A
FILTER
LINE
P/S
PMI
5
.
0
A
1
F
U
1L2
25A
1L1 GRD
W/D 30395-12
FROM 115VAC