Owner's manual

Table Of Contents
248 Rockwell Automation Publication D2-3518-3 - May 2013
Appendix C
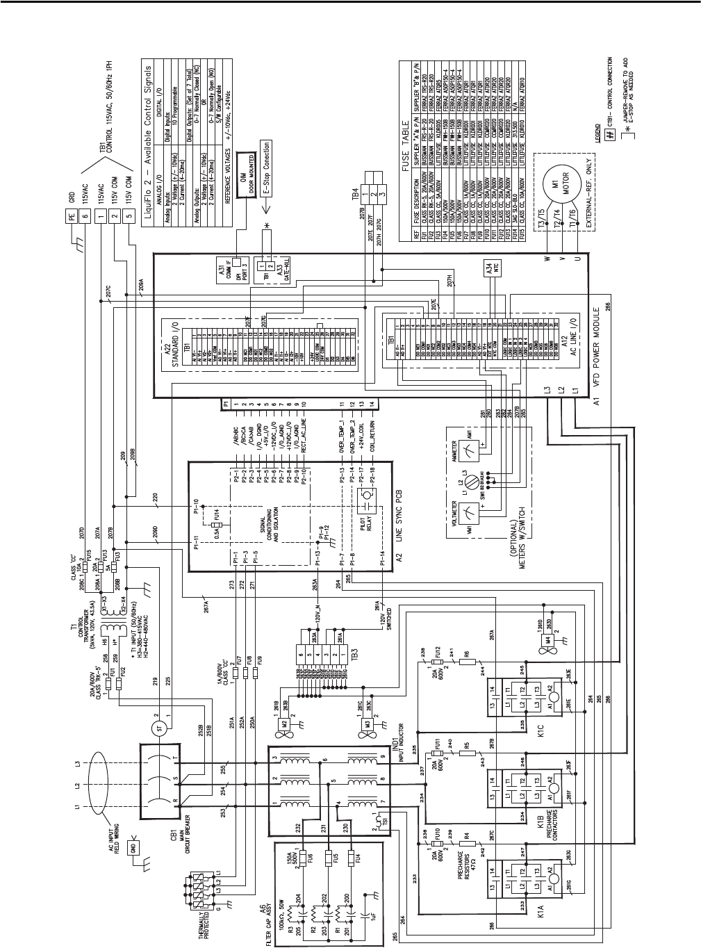
Figure 103 - Drive Assembly Cabinet Wiring Diagram (Frame 3)