Software Start-Up and Ref. Owner manual
Table Of Contents
- GV3000/SE AC General Purpose (V/Hz) and Vector Duty Drive, 1 - 20 HP, 230V AC Software Start-Up and Reference Manual D2-3387-5
- Important User Information
- Document Update
- Summary of Changes
- Table of Contents
- List of Figures
- List of Tables
- Preface
- Chapter 1 - Starting Up the Drive for Volts/Hertz Regulation
- Chapter 2 - Starting Up the Drive for Vector Regulation
- Chapter 3 - Using the Keypad/Display To Program, Monitor, and Control the Drive
- Chapter 4 - Programming Reference
- Chapter 5 - Troubleshooting the Drive Using Error Codes
- Appendix A - Alphabetical Listing of Parameters
- Appendix B - Record of User Parameter Settings
- Appendix C - Power Module-Dependent Parameter Default Values (230 V Series)
- Appendix D - Default Parameter Settings
- Appendix E - Configuring the Digital Inputs When the RMI Board Is Installed in the Drive
- Appendix F - Using the Terminal Strip Analog Input
- Appendix G - Drive Regulation Overview
- Back Cover / Publication D2-3387-5 July 2013

G-4
GV3000/SE 230 VAC Drive, Software Reference Version 6.04
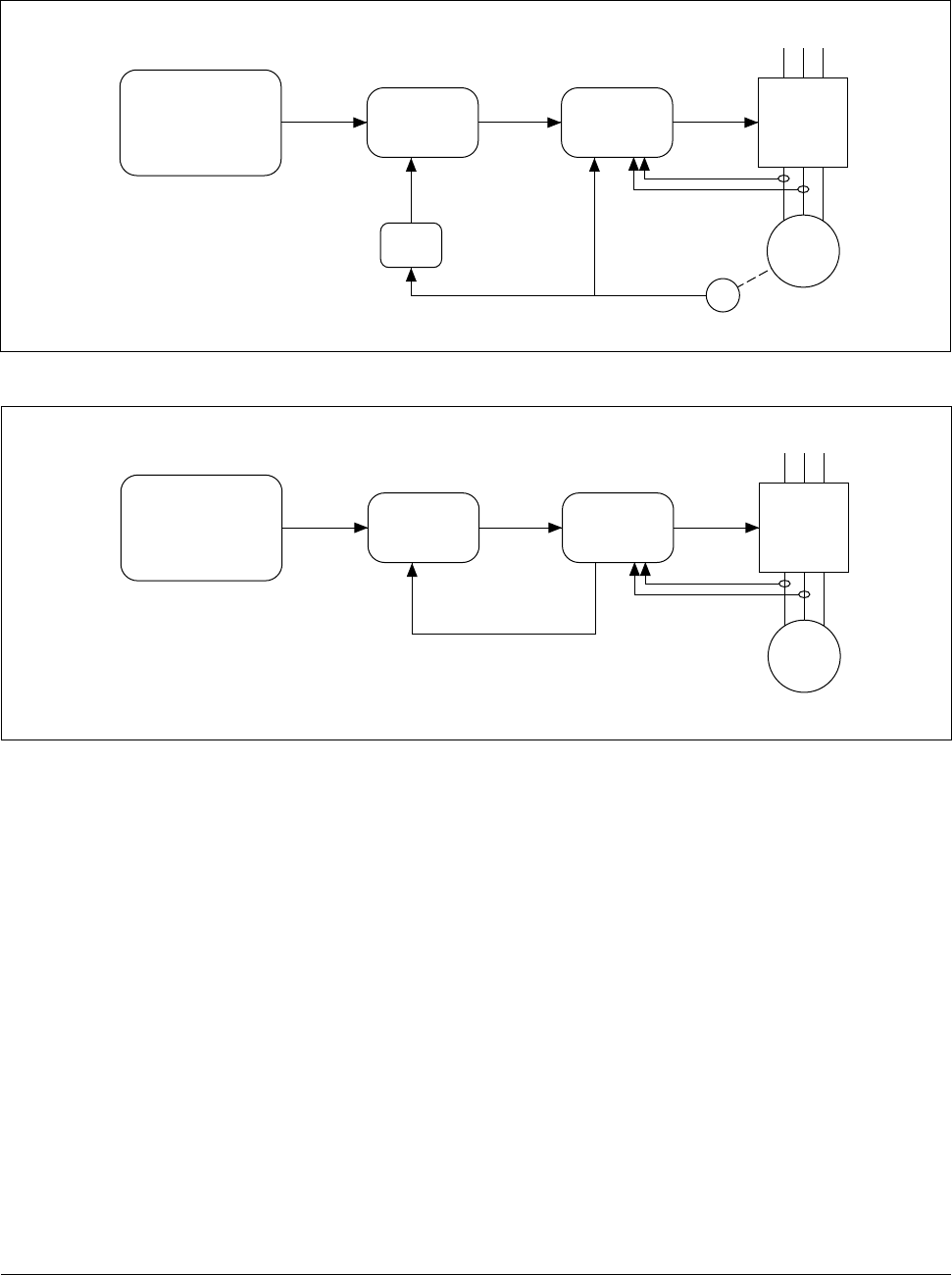
Figure G.2 – Flux Vector Control Block Diagram
Figure G.3 – Sensorless Vector Control Block Diagram
Reference Selection
See figure G.4
Speed Loop
See figure G.5
dx/dt
Torque
Controller
AC Line
Power
Devices
Current feedback
Speed
feedback
Relative shaft
position
E
Motor
Reference Selection
See figure G.4
Speed Loop
See figure G.5
Torque
Controller
AC Line
Power
Devices
Current feedback
Estimated
speed
feedback
Motor