Owner manual

APPENDIX D
49’1340 e FlexPak 3000 D-7
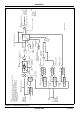
Digital Outputs 1 and 2
From Level Detector Block Diagram
From internal drive signals
From Network
LEVEL DETECT 1 OUTPUT
LEVEL DETECT 2 OUTPUT
IN CURRENT LIMIT
DRIVE READY
NETW COMM STATUS
bit (n=1) of NETW IN REG 1, 2, 3
DIG OUT 1 or 2
SELECT
* NORMAL OPEN
NORMAL CLOSED
DIG OUT 1 or 2
CONTACT TYP
Digital Output 1: (+) terminal 66
(-) terminal 67
Digital Output 2: (+) terminal 68
(-) terminal 69
ANLG OUT 1
SELECT
ANLG OUT 1
SIG TYPE
ANLG OUT 1
GAIN ADJ
D/A
ANLG OUT 2
GAIN ADJ
ANLG OUT 2
SELECT
Analog and Frequency Outputs
Analog Output 1
(+) terminal 54
(-) terminal 55
Analog Output 2
(+) terminal 56
(-) terminal 57
SOFTWARE
SCALING
SOFTWARE
SCALING
D/A
{
{
From Current Minor Loop Block Diagram
From Speed Loop Block Diagram
From Speed Reference Ramp Block Diagram
From Speed Reference Select Block Diagram
From Speed Reference Ramp Block Diagram
0
4095
From Engineering Units Outputs Block Diagram
From Outer Control Loop Block Diagram
From Field Control Loop Block Diagram
From Network
CML FEEDBACK
CML REFERENCE
CML ERROR
SPD LOOP FEEDBACK
SPD LOOP REFERENCE
SPD LOOP ERROR
SPD LOOP OUTPUT
SPD RAMP OUTPUT
SPD RAMP INPUT TP
SPD SOURCE SELECT OUT
TRIM OUTPUT
ARMATURE VOLTAGE
ANALOG TACH FEEDBACK
PULSE TACH FEEDBACK
ZERO
FULL SCALE
POWER OUTPUT
OCL RAMP OUTPUT
OCL FEEDBACK
OCL OUTPUT
FIELD REFERENCE
FIELD FEEDBACK
NETW IN REG 1, 2, 3
{
{
{
OCL REFERENCE
{
From Speed Loop Block Diagram
{
{
SOFTWARE
SCALING
FREQ OUT
ZERO
FREQ OUT
FULL SCALE
FREQ OUT
SELECT
D/F
Frequency Output
(A) terminal 42
(A) terminal 43
(COM) terminal 44
INV
DIG OUT 1 SELECT default is LEVEL DETECT 1 OUTPUT.
DIG OUT 2 SELECT default is LEVEL DETECT 2 OUTPUT.
The digital, analog, and frequency outputs are only
available if the I/O Ex
p
ansion Kit is installed.
D.12
D.11
D.6
D.4
D.3
D.4
D.6
P.409/411
P.410/412
P.425 P.426 P.427
P.422
P.421
P.418 P.419 P.420
D.14
* n=1
* n=2
Figure D.7 - Digital Outputs, Analog and Frequency Outputs