Manual

Compounding Turning Routines
Chapter 24
24-22
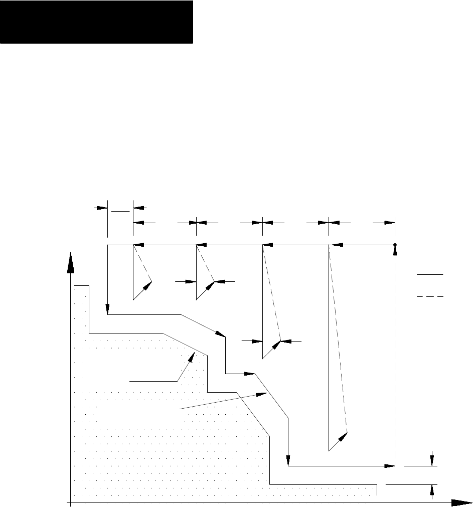
G74 Tool Paths, Case 1
When the control executes a Case 1 G74 rough facing routine the
following tool paths are generated:
Figure 24.17
Tool Paths for Case 1 G74 Rough Facing
X
Z
(U+W)/2
Cutting feed
Rapid feed
R
R
D D D D
Shape defined by
workpiece contour
blocks
Final Pass
(optional)
start
point
(I+K)
2
In Figure 24.17:
1. The tool is moved from the start point parallel to the Z axis, at a
feedrate F, a distance D as programmed in the G73 block.
2. A rough cut is made parallel to the X axis, at a feedrate F to a point
that intersects the workpiece contour path, minus the finishing
allowance and final pass allowance (if any).
3. Retract from this point at a 45 degree angle, at a feedrate F, a distance
R measured parallel to the Z axis. The R value may be entered as a
parameter in the G74 block. If no value for R is programmed then the
control uses the value for the retract amount set in AMP by the
system installer.