Owner manual
Table Of Contents
- J-3623-3 115 VAC High Power Output Module
- Warning Notices
- Table of Contents
- List of Figures
- 1.0 Introduction
- 2.0 Mechanical/Electrical Description
- 3.0 Installation
- 4.0 Programming
- 5.0 Diagnostics and Troubleshooting
- A Technical Specifications
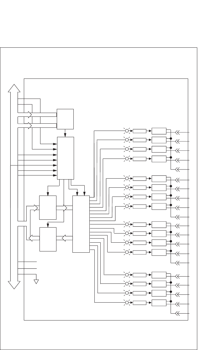
- B Module Block Diagram
- C Field Connections
- D Related Components
- E Defining Variables in the Configuration Task
- Back Cover

BĆ1
115 VAC HIGH OUTPUT MODULE (57C403)
ADDRESS
DECODER
ADDRESS
ID BUS
BUS
BUS
ADDRESS
BUS
ADDRESS
WDOG OK
CONTROL
LOGIC
BD RESET
INITIALIZE
BYTE HI EN
WRITE MEM
READ MEM
XFER ACK
INPUT
DATA
BUFFER
OUTPUT
DATA
BUFFER
OUTPUT
BUFFER
GATE
BIT
RESET
GATE
GATE
+5V
+12V
ISOL
OUTPUT
SWITCH
0
1
2
3
4
5
6
7
8
9
10
11
12
13
14
15
ISOL
OUTPUT
SWITCH
ISOL
OUTPUT
SWITCH
ISOL
OUTPUT
SWITCH
0
1
2
3
ISOL
OUTPUT
SWITCH
ISOL
OUTPUT
SWITCH
ISOL
OUTPUT
SWITCH
ISOL
OUTPUT
SWITCH
4
5
6
7
0
1
2
3
L1
4
5
6
7
L2
ISOL
OUTPUT
SWITCH
ISOL
OUTPUT
SWITCH
ISOL
OUTPUT
SWITCH
ISOL
OUTPUT
SWITCH
8
9
10
11
8
9
10
11
L3
ISOL
OUTPUT
SWITCH
ISOL
OUTPUT
SWITCH
ISOL
OUTPUT
SWITCH
ISOL
OUTPUT
SWITCH
13
14
15
12
13
14
15
L4
12