Getting Started User guide

Publication 283D-QS001C-EN-P - July 2006
9
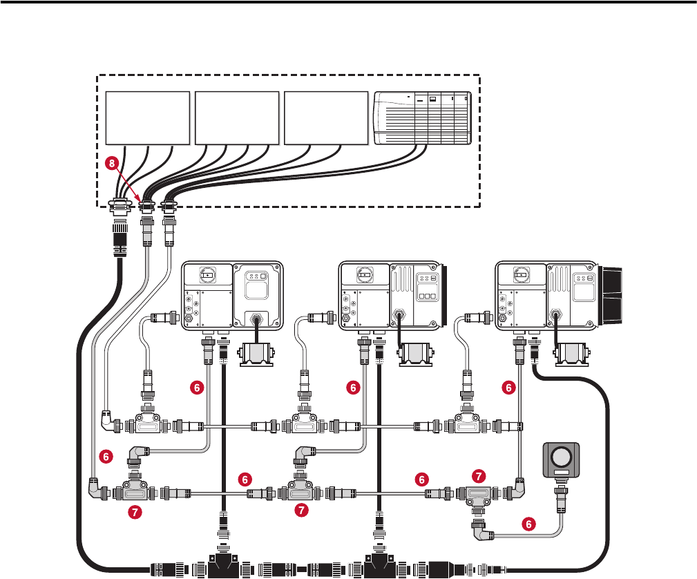
Figure 7 Control Power Media System Overview
➏ Control Power Media Patchcords - PatchCord cable with integral female or male connector on each end
Example Part Number: 889N-F65GFNM-*
➐ Control Power Tees - The E-stop In Tee (Part Number: 898N-653ES-NKF) is used to connect to the Bulletin 800F On-Machine E-Stop station using a
control power media patchcord. The E-stop Out tee (Part Number: 898N-653ST-NKF) is used with cordset or patchcord to connect to the ArmorStart
Distributed Motor Controller.
➑ Control Power Receptacles - Female receptacles are a panel mount connector with flying leads –
Part Number: 888N-D65AF1-*
RESET
OFF
Bulletin 280/281
ArmorStart
Bulletin 283
ArmorStart
Bulletin 284
ArmorStart
PLC
Bulletin 1492FB
Branch Circuit
Protective Device
Enclosure
Bulletin 1606
Power Supply
Bulletin 800F
Emergency Stop
Pushbutton
1606-XLSDNET4
DeviceNet
Power Supply