Getting Started User guide

8
Publication 283D-QS001C-EN-P - July 2006
ArmorConnect Power Media Description
The ArmorStart Power Media offers both three-phase and control power
cable system of cordsets, patchcords, receptacles, tees, reducers and
accessories to be utilized with the ArmorStart Distributed Motor Controller.
These cable system components allow quick connection of ArmorStart
Distributed Motor Controllers and reduce installation time. They provide
for repeatable, reliable connection of the three-phase and control power to
the ArmorStart Distributed Motor Controller and motor by providing a plug
and play environment that also avoids system mis-wiring. When specifying
power media for use with the ArmorStart Distributed Motor Controllers
(Bulletins 280, 281, 283, and 284) use only the Bulletin 280
ArmorConnect™ power media.
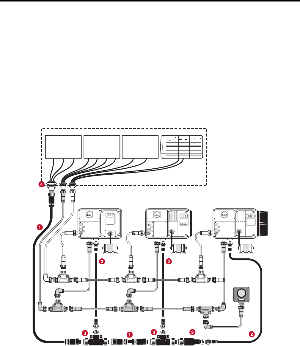
Figure 6 Three-Phase Power System Overview
➊ Three-Phase Power Trunk- PatchCord cable with integral female or male connector on each end. (Example Part Number: 280-PWR35A-M*)
➋ Three-Phase Drop Cable- PatchCord cable with integral female or male connector on each end (Example Part Number: 280-PWR22A-M*)
➌ Three-Phase Power Tees and Reducer -
Tee connects to a single drop line to trunk with quick change connectors – Part Number: 280-T35
Reducing Tee connects to a single drop line (Mini) to trunk (Quick change) connector – Part Number: 280-RT35
Reducer connects from quick change male connector to mini female connector– Part Number: 280-RA35
➍ Three-Phase Power Receptacles -
Female receptacles are a panel mount connector with flying leads – Part Number: 280-M35F-M1
RESET
OFF
Bulletin 280/281
ArmorStart
Bulletin 283
ArmorStart
Bulletin 284
ArmorStart
PLC
Bulletin 1492FB
Branch Circuit
Protective Device
Enclosure
Bulletin 1606
Power Supply
Bulletin 800F
Emergency Stop
Pushbutton
1606-XLSDNET4
DeviceNet
Power Supply