User Manual - Series B Instruction Manual
Table Of Contents
- Front Cover/Table of Contents
- General Description
- What Is the DriveGuard Safe Torque Off Option?
- Certifications and Compliance
- CE Certification
- Certified Equipment
- Important Safety Considerations
- Safe State
- Safety Category 3 / PL (d) Performance Definition
- Stop Category Definitions
- Performance Level and Safety Integrity Level (SIL) CL2
- PFD and PFH Definitions
- PFD and PFH Data
- Functional Proof Tests
- Contact Information if Safety Option Failure Occurs
- Installation and Wiring
- Pre-Installation Instructions
- EMC Considerations
- DriveGuard Safe Torque Off Option Installation
- Wiring
- Verify Operation
- Description of Operation
- PowerFlex 40P Safe Torque Off Operation
- PowerFlex 70 Safe Torque Off Operation
- Connection Examples
- Back Cover

20 Rockwell Automation Publication PFLEX-UM003B-EN-P - July 2012
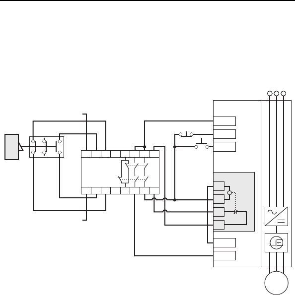
Description of Operation
Connection Examples
Example 1 - Safe Torque Off Connection with Coast-to-Stop Action,
Dual Channel
Figure 10 - Stop Category 0 – Coast
Circuit Status
Circuit shown with guard door closed and system ready for normal drive
operation.
Operating Principle
This is a dual channel system with monitoring of the Safe Torque Off circuit
and drive. Opening the guard door will switch the input circuits (S13-S14 &
S21-S22) to the Minotaur monitoring safety relay unit. The output circuits
(13-14 & 23-24) will cause the Safe Torque Off option and drive Enable
circuit to trip and the motor will coast to stop. To restart the drive, the
Minotaur safety relay must first be reset followed by a valid start command to
the drive.
Fault Detection
A single fault detected on the Minotaur safety input circuits will result in the
lock-out of the system at the next operation and will not cause loss of the
safety function.
If the Safe Torque Off option sticks ON, the motor will stop on command
due to the enable input. The system cannot be reset when this fault condition
exists.
Stop
Start
A1
S21 S13 31 13 23 X1
A2
+24V DC
Common
+24V DC
S22 S14 32 14 24 X2
Minotaur
MSR9T
GuardMaster
Trojan
Gate
+24V DC
PowerFlex
AC Drive
Stop
Start
AC Line
Input Power
Common
Enable *
M
1
2
3
4
Safe O Option
*Important: The drive Enable digital
input is a solid state circuit. The safety
outputs on safety module must not be
configured for Pulsed/Safety Pulse Test.
PFLEX-UM003.fm Page 20 Wednesday, July 18, 2012 8:26 AM