Owner manual
Table Of Contents
- PowerFlex 22-COMM-P Profibus Adapter User Manual
- Summary of Changes
- Table of Contents
- Preface
- Chapter 1
- Chapter 2
- Chapter 3
- Chapter 4
- Chapter 5
- Chapter 6
- Chapter 7
- Chapter 8
- Appendix A
- Appendix B
- Appendix C
- Appendix D
- Glossary
- Index
- Back Cover / Publication 22COMM-UM005E-EN-P June 2012

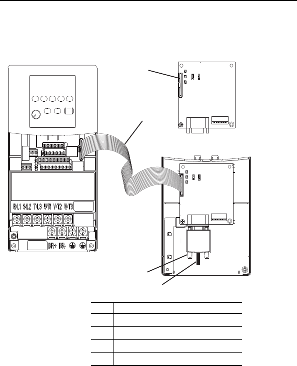
2-6 Installing the Adapter
4. Connect the Internal Interface cable to the DSI port on the drive and
then to the mating DSI connector on the adapter.
Figure 2.4 Connecting DSI Ports with Internal Interface Cable
➊
➋
➍
➌
22-COMM-P
Adapter
Back of
Required
Special Drive
Cover
PowerFlex 40 Drive (Frame C
shown with cover removed)
Item Description
➊
DSI Connector
➋
15.24 cm (6 in.) Internal Interface cable
➌
Profibus cable
➍
Retaining screws