Instruction Manual
Table Of Contents
- PowerFlex 700S High Performance AC Drive - Phase II Control, Programming Manual
- Summary of Changes
- Table of Contents
- Preface
- Chapter 1 - Drive Start-Up
- Chapter 2 - Programming and Parameters
- Chapter 3 - Troubleshooting
- Appendix A - Human Interface Module Overview
- Appendix B - Application Notes
- Appendix C - Control Block Diagrams
- Appendix D - PowerFlex 700S Permanent Magnet Motor Specifications
- Appendix E - ATEX Approved PowerFlex 700S, Phase II Drives in Group II Category (2) Applications with ATEX Approved Motors
- Appendix F - History of Changes
- Index
- Back Cover

190 Rockwell Automation Publication 20D-PM001C-EN-P - July 2013
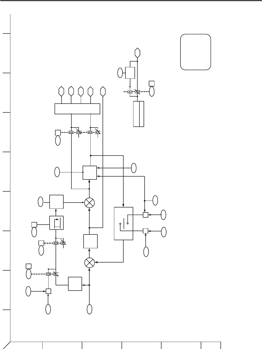
Appendix C Control Block Diagrams
pha_lock_loop.eps
Phase Locked Loop
(Task 1)
1
2
3
4
5
6
BA
D
C
FE HG
I
Lpf
Loop
Filter
X to V
Conv
0
0
0
VE
[ ]
[ ]
EGR
X X
727
726
724
725
723
722
721
728
X
729
720
720
720
730
147
2
0
1
24
734
735
731
732
733
PLL Position Ref
PLL Ext Spd Ref
PLL Bandwidth
PLL Rev Input
PLL EPR Input
PLL Rev Output
PLL EPR Output
PLL VirtEncdrRPM
PLL LPFilter BW
PLL Control
(ACOMP)
PLL Control
(VFF)
PLL Control
(EXT)
PLL Ext SpdScale
PLL Speed Out
PLLSpeedOut Adv
PLL Posit Out
PLL Posit OutAdv
PLL Posit OutFil
Test Points
P717 – PLL TP Select
P718 – PLL DataInt
P719 – PLL DataReal
lpf
153 21
Control Options
59 Inertia Trq Add
Inertia Comp
54 Icomp lpf
+
+
+
-
FW_Funct (PhaseLockLp )