Instruction Manual
Table Of Contents
- PowerFlex 700S High Performance AC Drive - Phase II Control, Programming Manual
- Summary of Changes
- Table of Contents
- Preface
- Chapter 1 - Drive Start-Up
- Chapter 2 - Programming and Parameters
- Chapter 3 - Troubleshooting
- Appendix A - Human Interface Module Overview
- Appendix B - Application Notes
- Appendix C - Control Block Diagrams
- Appendix D - PowerFlex 700S Permanent Magnet Motor Specifications
- Appendix E - ATEX Approved PowerFlex 700S, Phase II Drives in Group II Category (2) Applications with ATEX Approved Motors
- Appendix F - History of Changes
- Index
- Back Cover

Rockwell Automation Publication 20D-PM001C-EN-P - July 2013 187
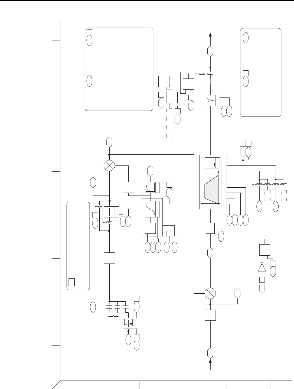
Control Block Diagrams Appendix C
pos_control_pt_to_pt.eps
768
761
759
760
PositReg P Gain
Pt-Pt Filt BW
Pt-Pt Accel Time
Pt-Pt Decel Time
Position Control - Point-to-Point
(Task 2)
Reref
758
740 10
0
1
2
742
Gear Rat
[ N ]
[ D ]
745
746
PositRef EGR Mul
PositRef EGR Div
744
747
Pt-Pt Posit Ref
Position Control
(Pt-Pt ReRef)
PositRef EGR Out
Position Cmmd
*
*
Posit Ref Sel
762 769
Position Error
0
318
775
776
0
Position Status
XReg Spd LoLim
XReg Spd HiLim
Posit Spd Output
to Speed Control
- Regulator [5A2]
763
Position Actual
*
1
See Interpolated /Direct
Position Control Diagram
Page 6
Δ
Δ
from Speed /Posit
Fdbk [9H3]
(X Spd LLim )
(X Spd HLim )
Δ
&
740 01
157 03Logic Ctrl State
Speed Out Enable
1
2
3
4
5
6
BA
D
C
FE HGI
Position Control
AbsPositCtrl
740 06
1) Parameter 740 b06 may be set when a multi -turn
absolute feedback device is used for Point to Point
positioning . Activating p 740 b06 will ReRef the position
reference to the absolute feedback when position control is
activated (p741 b07). If the value at p 758 is different than
the feedback in 763 a position error will exist and the
machine will move to position when activated .
2) When p740 b06 is high the [SetZeroPosit ] p740 b09
may be used to set the zero “home” position accumulators .
This can only be used when the drive is not in run and
p
740 b06 = 1.
3) When p740 b06 is high, p745 & p746 are bypassed . In
absolute mode the point to point position regulator can only
use raw counts as position command .
741 4
Position Status
(PtPtRRef Act)
Notch
II
R
741 02
741 03
Point to Point Position
Limit
779
778X Notch Attenu
X Notch FiltFreq
+
Rate Lim
753
754
755
LPass
Filter
756
Posit Offset 1
Posit Offset 2
Posit Offset Spd
X Offst SpdFilt
Position Control
(X Offset Pol)
Position Control
(XOff ReRef)
740 04
740 05
741 05
Position Status
(XOffReRef Act)
+
+
+
-
796Posit Gear Ratio
Calib
Const
Motor Speed
Gear Output Spd
()
Position Fdbk
from [15H5]
0
1
0
0
1
0
&
740 20
Position Control
(Pt-PtRmpStop )
&
740 20
Position Control
(Pt-PtRmpStop )
157 03Logic Ctrl State
Inv
PositSpfRef > 0.01
OR
from [15H5]
Position Control
SetZeroPosit
740 09
*
Position Control
Xzero Preset
740 08
On the rising edge (activation ) of p741 bit 7 [15H5] the
following bit assignments occur:
1) If p740 bit 8 is set , then p763, p765, p744, and p747 get
loaded with [Position Fdbk (p762) - Abs Posit Offset (p757)].
2) If p740 bit 8 is reset, then p763, p765, p744, and p747 get
loaded with the reference value (prior to reference derivative
function in coordinate [D2]).
757Abs Posit Offset
This point is a delta change . When the position loop is first
enabled the position command and feedback delta are zero.
Δ
0
1
Position Control
AbsPositCtrl
740 06