Instruction Manual
Table Of Contents
- PowerFlex 700S High Performance AC Drive - Phase II Control, Programming Manual
- Summary of Changes
- Table of Contents
- Preface
- Chapter 1 - Drive Start-Up
- Chapter 2 - Programming and Parameters
- Chapter 3 - Troubleshooting
- Appendix A - Human Interface Module Overview
- Appendix B - Application Notes
- Appendix C - Control Block Diagrams
- Appendix D - PowerFlex 700S Permanent Magnet Motor Specifications
- Appendix E - ATEX Approved PowerFlex 700S, Phase II Drives in Group II Category (2) Applications with ATEX Approved Motors
- Appendix F - History of Changes
- Index
- Back Cover

Rockwell Automation Publication 20D-PM001C-EN-P - July 2013 185
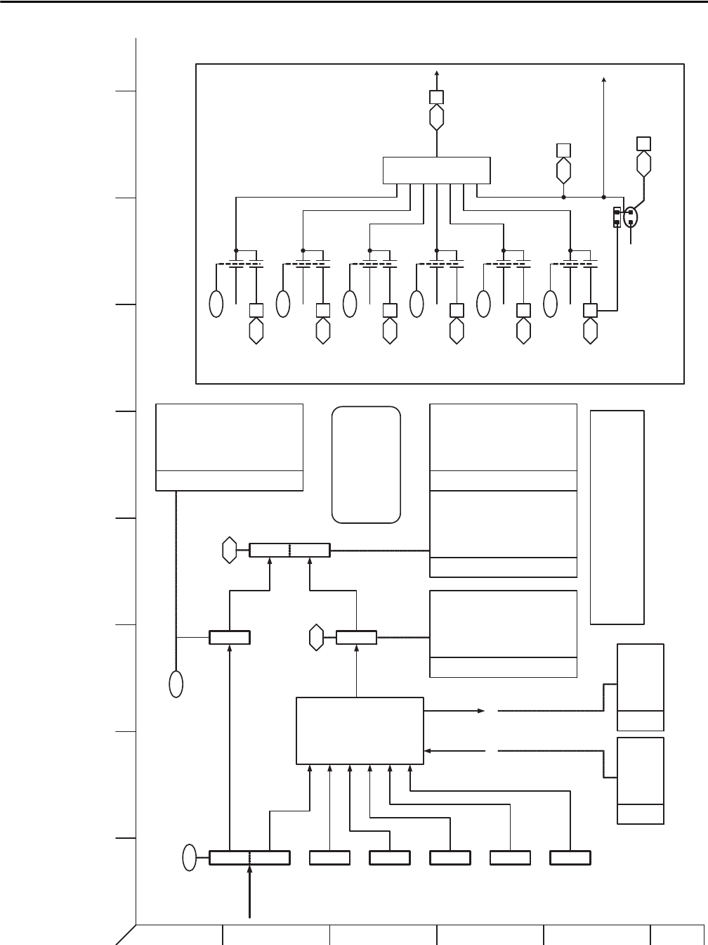
Control Block Diagrams Appendix C
control_logic.eps
Control Logic
(Task 3)
Logic Parser
Drv Mounted
HIM
External DPI
Connection
Aux.
External DPI
Connection
Internal
DPI Comm
Device
Digital
Inputs
from
DriveLogix
Masks Owners
602
151
152
158
0
15
0
15
0
15
0
15
0
15
0
15
31
0
15
FromDriveLogix 00 Logic Command
Applied LogicCmd
Drive Logic Rslt
0
31
15
Port 7
Port 0
Port 3
Port 5
Port 2
Port 1
1
2
3
4
5
6
BA
D
C
FE HG
I
0
15
0
1
Dig In1
High (1)
825
Dig In1 Sel
val = "Enable"
824 01
0
1
Dig In2
High (1)
826
Dig In2 Sel
val = "Enable"
824 02
0
1
Dig In3
High (1)
827
Dig In3 Sel
val = "Enable"
824 03
0
1
Dig In4
High (1)
828
Dig In4 Sel
val = "Enable"
824 04
0
1
Dig In5
High (1)
829
Dig In5 Sel
val = "Enable"
824 05
0
1
Dig In6
High (1)
830
Dig In6 Sel
val = "Enable"
824 06
&
to Software
Enable Control
155 15
Logic Status
[Enable On ]
155 21
Logic Status
[Hw Enable
On]
Bypass
Hw Enable
Jumper
824 00
Local I/O Status
[Hw Enbl Byps]
When p824 bit 0 is low, p830 is not available and
Dig In6 is used for Hardware Enable exclusively
to Hardware Enable Circuit
Enable Circuit
Logic Mask
Start Mask
Jog Mask
Direction Mask
Fault Clr Mask
670
671
672
673
674
Stop Owner
Start Owner
Jog Owner
Direction Owner
Fault Clr Owner
677
678
679
680
681
Normal Stop
Start
Jog 1
Clear Fault
Forward
Reverse
Reserved
Jog 2
CurrLim Stop
Coast Stop
Reserved
Reserved
Spd Ref Sel 0
Spd Ref Sel 1
Spd Ref Sel 2
Reserved
b00
b01
b02
b03
b04
b05
b06
b07
b08
b09
b10
b11
b12
b13
b14
b15
SpdRamp Dsbl
Spd S Crv En
TachLoss Rst
Time Axis En
SpdRamp Hold
SReg IntgHld
SReg IntgRst
Reserved
Reserved
Ext Flt/Alm
Inertia Comp
Frict Comp
PI Trim En
Position En
PI Trim Hold
PI Triim Rst
b00
b01
b02
b03
b04
b05
b06
b07
b08
b09
b10
b11
b12
b13
b14
b15
Normal Stop
Start
Jog 1
Clear Fault
Forward
Reverse
Reserved
Jog 2
CurrLim Stop
Coast Stop
Reserved
Reserved
Spd Ref Sel 0
Spd Ref Sel 1
Spd Ref Sel 2
Reserved
b16
b17
b18
b19
b20
b21
b22
b23
b24
b25
b26
b27
b28
b29
b30
b31
SpdRamp Dsbl
Spd S Crv En
TachLoss Rst
Time Axis En
SpdRamp Hold
SReg IntgHld
SReg IntgRst
Reserved
Reserved
Ext Flt/Alm
Inertia Comp
Frict Comp
PI Trim En
Position En
PI Trim Hold
PI Triim Rst
b00
b01
b02
b03
b04
b05
b06
b07
b08
b09
b10
b11
b12
b13
b14
b15
Note:
The following parameters are typically referenced
when configuring or monitoring Control Logic;
p155 [Logic Status]
p156 [Start Inhibits]
TestPoints
P161 Logic TP Sel
P162 Logic TP Data