Instruction Manual
Table Of Contents
- PowerFlex 700S High Performance AC Drive - Phase II Control, Programming Manual
- Summary of Changes
- Table of Contents
- Preface
- Chapter 1 - Drive Start-Up
- Chapter 2 - Programming and Parameters
- Chapter 3 - Troubleshooting
- Appendix A - Human Interface Module Overview
- Appendix B - Application Notes
- Appendix C - Control Block Diagrams
- Appendix D - PowerFlex 700S Permanent Magnet Motor Specifications
- Appendix E - ATEX Approved PowerFlex 700S, Phase II Drives in Group II Category (2) Applications with ATEX Approved Motors
- Appendix F - History of Changes
- Index
- Back Cover

178 Rockwell Automation Publication 20D-PM001C-EN-P - July 2013
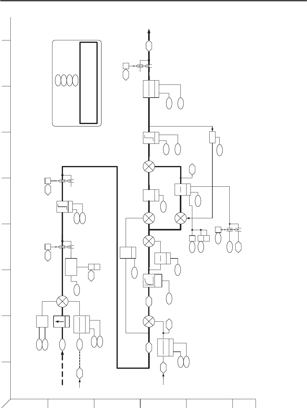
Appendix C Control Block Diagrams
spd_reg.eps
Spd Reg BW
Spd Reg Damping
SpdReg P Gain Mx
Total Inertia
90
92
91
9
set param 90 = 0
to manually adjust
param 81 & 82
*
25
26
22
X
23
24
0
Autotune
Bypass
74
157 5
8
157 04
75
76
93
94
89
85
84
81
82
153 18
102
103
95
96
0
86
Speed Control - Regulator
(Task 1)
Droop
318
301
71
300
100
101
302
0
1
157 06
0
Logic Ctrl State
Atune Spd Ref
Limit
Logic Ctrl State
(Inrta Tst En )
Logic Ctrl State
(CurrLim Stop)
Speed Trim 3
SpdTrim 3 Scale
Spd Ref Bypass 2
Speed Trim 2
STrim2 Filt Gain
SpdTrim 2 Filt BW
ServoLck
ks
s
P Gain
kp
Limit
Spd Reg P Gain *
Spd Reg I Gain *
0
1
87
303
Spd Reg Pos Lim
Spd Reg Neg Lim
FeedFwd
nff
SRegFB Filt Gain
SRegFB Filt BW
Filtered SpdFdbk
Motor Spd Fdbk
Motor Speed Ref
Speed Error
SpdReg AntiBckup
Spd Err Filt BW
Servo Lock Gain
Control Options
(Jog -NoInteg )
Logic Command
(SReg IntgHld )
(SReg IntgRst)
Control Options
(SpdRegPreset )
SRegTrqPreset
Motor Torque Ref
Spd Reg Droop
0
1
SRegOut FiltGain
SReg Out Filt BW
Logic Ctrl State
(Spd Reg En )
Spd Reg PI Out
Posit Spd Output
from Speed Control
- Reference [4H5]
from Position Control
to Torque Control
[7A3]
2
nd
Order
LPass
Filter
SpdReg Integ Out
1
2
3
4
5
6
BA
D
C
FE HG
I
(J Tst FulSpd)
(Spd Reg En )
1
from Feedback [9H2]
Lead Lag
(kn * s)+ wn
s + wn
Lead Lag
(kn * s)+ wn
s + wn
Lead Lag
(kn * s)+ wn
s + wn
48
Rev Speed Lim
Fwd Speed Lim
+
-
+
+
-
+
+
+
+
-
153 12
151 05
157 08
06
+
+
+
[13H3]
[14H4]
I Gain
ki
s
#
All Regulators and Filters BW values are expressed
as Radians / Second. The Notch filter is in Hertz .
Ovr Smpl
4x