Instruction Manual
Table Of Contents
- PowerFlex 700S High Performance AC Drive - Phase II Control, Programming Manual
- Summary of Changes
- Table of Contents
- Preface
- Chapter 1 - Drive Start-Up
- Chapter 2 - Programming and Parameters
- Chapter 3 - Troubleshooting
- Appendix A - Human Interface Module Overview
- Appendix B - Application Notes
- Appendix C - Control Block Diagrams
- Appendix D - PowerFlex 700S Permanent Magnet Motor Specifications
- Appendix E - ATEX Approved PowerFlex 700S, Phase II Drives in Group II Category (2) Applications with ATEX Approved Motors
- Appendix F - History of Changes
- Index
- Back Cover

Rockwell Automation Publication 20D-PM001C-EN-P - July 2013 175
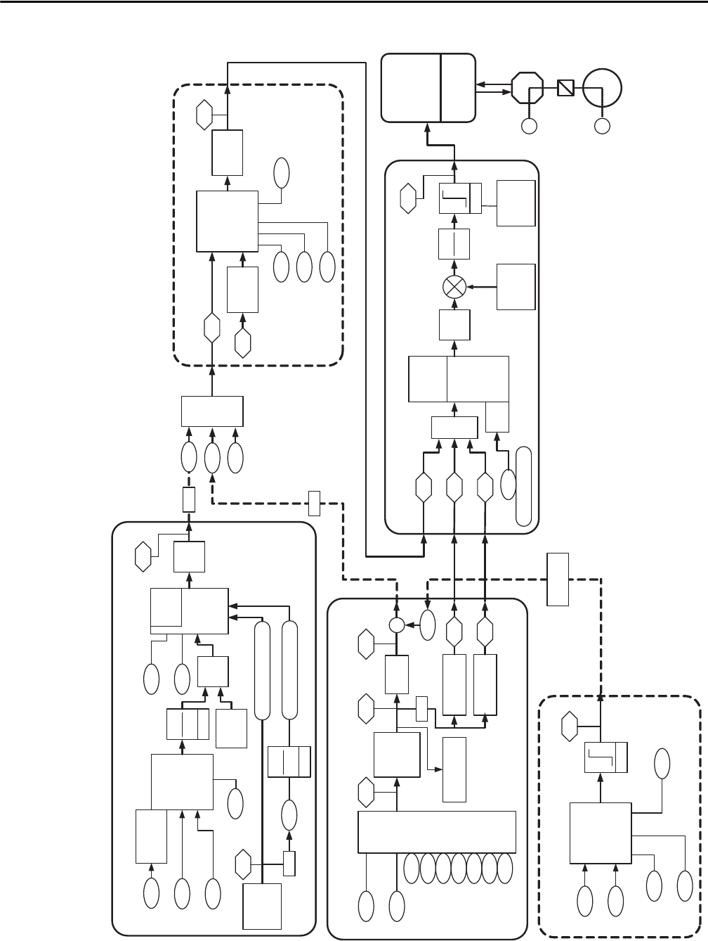
Control Block Diagrams Appendix C
overview.eps
PowerFlex 700S Phase
2
Block Diagrams
PI Regulator
181
182
PI Reference
PI Feedback
Limit
186
187
PI Prop Gain
PI Integ Time
Process Control (Task 2)
180
PI Output
Speed
Ref
Selection
40
Lead
Lag
4643
Friction Comp
Inertia Comp
Speed Control - Reference (Task 2)
69
59
Selected Spd Ref Ramped Spd Ref Scaled Spd Ref
27
28
15
16
17
18
+
Torque
Selection
*, /, +
302
69
59
xxx
Spd Reg PI Out
FricComp TrqAdd
Inertia Trq Add
Torque Ref Inputs
Bus Volt
& Power
Regulator
Notch
Filter
Drive
& Motor
Protection
1
Flux
305
Mtr Trq Curr Ref
Torque Control (Task 1)
Limit
PI Regulator
81
82
Spd Reg P Gain
Spd Reg I Gain
Lead Lag
Lead Lag
300
Motor Spd
Fdbk
302
Spd Reg PI Out
Speed Control - Regulator (Task 1)
Motor Speed Ref
90
Spd Reg BW
301
Link
+
22
23
48
Speed Trim 3
FOC
Perm Magn
& Vector
Control
Current
Processing
Motor
Load
E
1
E
2
Gear
Position
Interpolator
Reference
Selection
(Mode)
748
743
758
CoarsePosit Trgt
Aux Posit Ref
Pt-Pt Posit Ref
742
Posit Ref Sel
Gear Rat
[ N ]
[ D ]
764
Posit Load Fdbk
+
Position
Offset
PI
Regulator
Point to
Point
770
768
PositReg P Gain
Posit Reg Integ
762
Position Fdbk
Integration Channel
318
Posit Spd Output
Position Control (Task 2)
Gear Rat
[ N ]
[ D ]
20
19
Speed Ref A Sel
Speed Ref B Sel
Preset Spd 2
Preset Spd 3
Preset Spd 4
Preset Spd 5
Preset Spd 6
Preset Spd 7
Virtual Encoder
+
21
Speed Trim 1
Linear
Ramp &
S Curve
Link
Speed Trim 2
86
Droop
184
PI Lpass Filt BW
Link (not a
default link)
Link
Inertia
Adaption
+
-
Position
Feedback
Selection
Proportional Channel
Link
Notch
Filter
14
Preset Spd 1