Design Guide User Manual
Table Of Contents
- Front Cover - Kinetix 7000 Drive Systems Design Guide
- Introduction
- Determine What You Need
- Kinetix 7000 System Examples
- 2090-Series Motor/Actuator Cables Overview
- Kinetix 7000 (400V ) with HPK-Series
- HPK-Series Motor Cable Combinations (460V motors)
- HPK-Series (460V) Performance Specifications with Kinetix 7000 (400V class) Drives
- Kinetix 7000 (400V class) Drives/HPK-Series (460V) Motor Curves
- HPK-Series Motor Cable Combinations (400V motors)
- HPK-Series (400V) Performance Specifications with Kinetix 7000 (400V class) Drives
- Kinetix 7000 (400V class) Drives/HPK-Series (400V) Motor Curves
- Kinetix 7000 (400V ) with MPL
- Kinetix 7000 (400V) with MPM
- Kinetix 7000 (400V) with RDD-Series
- Additional Resources
- Back Cover

8 Rockwell Automation Publication GMC-RM007A-EN-P - September 2011
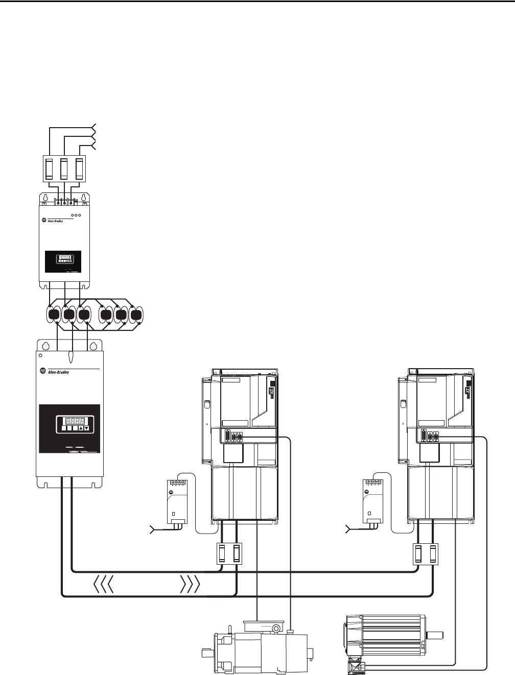
Kinetix 7000 Drive Systems
In this example, the Kinetix 7000 drive system is shown with the 8720MC Regenerative Power Supply (RPS) in
DC common-bus configuration with two follower 2099-BM11-S drives. Harmonic filter, varistor, and magnetic contactor
are included when ordering the 8720MC-EF190-VB EMC line filter.
In this full-line regenerative example, the 8720MC-RPS190 unit provides motoring power and regenerative braking.
Kinetix 7000 DC Input Power Example (with full-line regeneration)
1606-XL
Power Supply
Input
Allen-Bradley
R
E
G
E
N
E
R
A
T
IV
E
P
O
W
E
R
S
U
P
P
LY
R
E
G
E
N
E
R
AT
IV
E
P
O
W
E
R
S
U
P
P
L
Y
87208720
MCMC
RST
PRG
ENT
READYREADY
FAULTFAULT
PROGRAMPROGRAM kWkW
V
A
1606-XL
Power Supply
Input
Allen-Bradley
R
E
G
E
N
E
R
A
T
IV
E
P
O
W
E
R
S
U
P
P
L
Y
87208
7
2
0
MCM
C
RST
PRG
ENT
READYREADY
FAULFAULT
PROGRAM
PROGRAM kWkW
V
A
DC Bus
Kinetix 7000 Drive
2099-BM11-S
Common Bus Follower
Regenerative Power Supply
8720MC-RPS190-BM
Common Bus Leader
Line Reactor
8720MC-LR10-100B
(two units in parallel)
Three-phase
Input Power
EMC Line Filter 8720MC-EF190-VB
This unit includes an AC line filter (required for CE),
magnetic contactor, harmonic filter, and varistor.
IMPORTANT The Bulletin 8720MC line filter unit and
line reactor are required when using the
8720MC-RPS190 regenerative power supply.
Input
Fusing
Full Regenerative
Kinetix 7000 Drive
2099-BM11-S
Common Bus Follower
24V DC
Control Power
1606-XLxxx
24V DC
Control Power
1606-XLxxx
HPK-Series Asynchronous
Servo Motors
DC Bus
Fusing
DC Bus
Fusing
Control Power
Supply Input
Control Power
Supply Input
MP-Series (Bulletin MPL or MPM)
and RDD-Series Servo Motors