Design Guide User Manual
Table Of Contents
- Front Cover - Kinetix 7000 Drive Systems Design Guide
- Introduction
- Determine What You Need
- Kinetix 7000 System Examples
- 2090-Series Motor/Actuator Cables Overview
- Kinetix 7000 (400V ) with HPK-Series
- HPK-Series Motor Cable Combinations (460V motors)
- HPK-Series (460V) Performance Specifications with Kinetix 7000 (400V class) Drives
- Kinetix 7000 (400V class) Drives/HPK-Series (460V) Motor Curves
- HPK-Series Motor Cable Combinations (400V motors)
- HPK-Series (400V) Performance Specifications with Kinetix 7000 (400V class) Drives
- Kinetix 7000 (400V class) Drives/HPK-Series (400V) Motor Curves
- Kinetix 7000 (400V ) with MPL
- Kinetix 7000 (400V) with MPM
- Kinetix 7000 (400V) with RDD-Series
- Additional Resources
- Back Cover

Rockwell Automation Publication GMC-RM007A-EN-P - September 2011 7
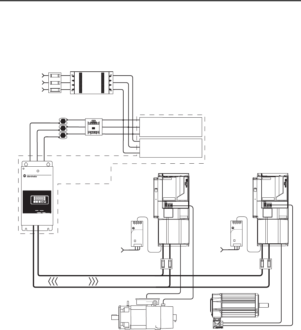
Kinetix 7000 Drive Systems
In this example, the Kinetix 7000 drive system is shown with the 8720MC Regenerative Power Supply (RPS) in
DC common-bus configuration with two follower Kinetix 7000 drives. Harmonic filter and varistor are available
separately, but are included with the RPS unit when ordering catalog number 8720MC-RPS065-BM-HV2.
In this full-line regenerative example, the 8720MC-RPS065 unit provides motoring power and regenerative braking.
Kinetix 7000 DC Input Power Example (full-line regeneration)
R
E
G
E
N
E
R
A
T
IV
E
P
O
W
E
R
S
U
P
P
LY
REG
E
N
ERAT
IVE POW
ER SUP
PLY
87208720
MCMC
RST
PRG
ENT
READYREADY
FAULTFAULT
PROGRAMPROGRAM kWkW
V
A
1606-XL
Power Supply
Input
Allen-Bradley
1606-XL
Power Supply
Input
Allen-Bradley
Kinetix 7000 Drive
2099-BMxx-S
Common Bus Follower
Regenerative Power Supply
8720MC-RPS065-BM-HV2
Common Bus Leader
Line Reactor
8720MC-LRxx
Three-phase
Input Power
Varistor (8720MC-VA-B)
is included with
8720MC-RPS065-BM-HV2.
Harmonic Filter (8720MC-HF-B2)
is included with
8720MC-RPS065-BM-HV2.
Magnetic
Contactor
AC Line Filter 8720MC-RFI80
(required for CE)
Input
Fusing
Kinetix 7000 Drive
2099-BMxx-S
Common Bus Follower
DC Bus
Full Regenerative
DC Bus
Fusing
DC Bus
Fusing
24V DC
Control Power
1606-XLxxx
Control Power
Supply Input
24V DC
Control Power
1606-XLxxx
Control Power
Supply Input
MP-Series (Bulletin MPL or MPM) and
RDD-Series Servo Motors
HPK-Series Asynchronous
Servo Motors