Design Guide User Manual
Table Of Contents
- Front Cover - Kinetix 7000 Drive Systems Design Guide
- Introduction
- Determine What You Need
- Kinetix 7000 System Examples
- 2090-Series Motor/Actuator Cables Overview
- Kinetix 7000 (400V ) with HPK-Series
- HPK-Series Motor Cable Combinations (460V motors)
- HPK-Series (460V) Performance Specifications with Kinetix 7000 (400V class) Drives
- Kinetix 7000 (400V class) Drives/HPK-Series (460V) Motor Curves
- HPK-Series Motor Cable Combinations (400V motors)
- HPK-Series (400V) Performance Specifications with Kinetix 7000 (400V class) Drives
- Kinetix 7000 (400V class) Drives/HPK-Series (400V) Motor Curves
- Kinetix 7000 (400V ) with MPL
- Kinetix 7000 (400V) with MPM
- Kinetix 7000 (400V) with RDD-Series
- Additional Resources
- Back Cover

6 Rockwell Automation Publication GMC-RM007A-EN-P - September 2011
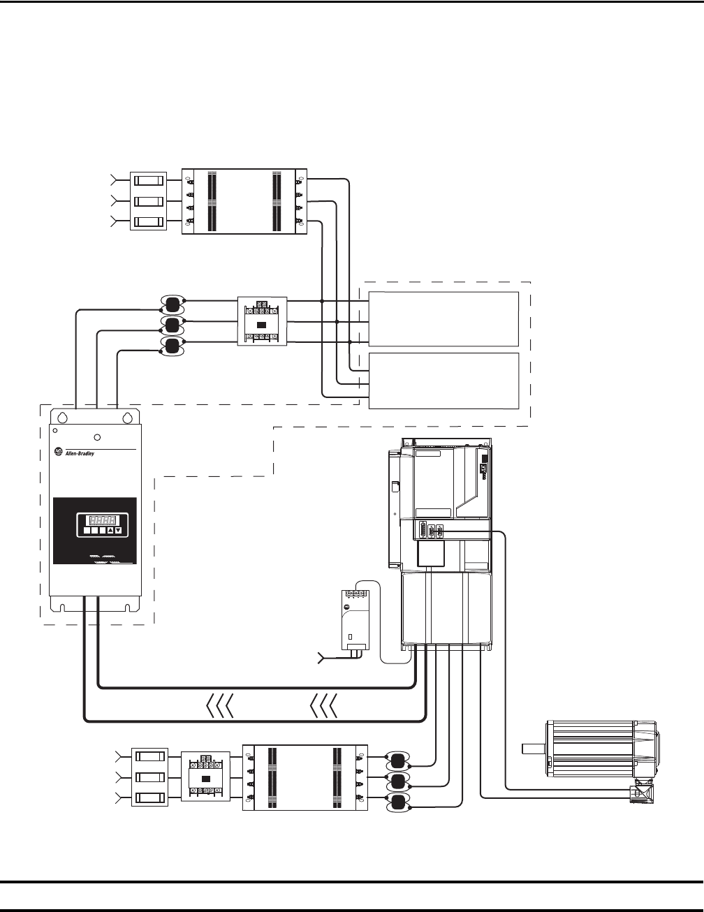
Kinetix 7000 Drive Systems
In this example, the Kinetix 7000 drive system is shown with the 8720MC Regenerative Power Supply (RPS) in a
regenerative braking configuration. Harmonic filter and varistor are available separately, but are included with the RPS unit
when ordering catalog number 8720MC-RPS065-BM-HV2.
In this configuration, the Kinetix 7000 drive provides motoring power and the RPS unit provides regenerative power.
Kinetix 7000 AC Input Power Example (with regenerative power)
IMPORTANT
Regenerative braking applications are limited to only one Kinetix 7000 common-bus follower drive.
1606-XL
Power Supply
Input
Allen-Bradley
R
E
G
E
N
E
R
A
T
IV
E
P
O
W
E
R
S
U
P
P
L
Y
R
E
G
E
N
E
R
A
T
IV
E
P
O
W
E
R
S
U
P
P
L
Y
87208720
MCMC
RST
PRG
ENT
READYREADY
FAULTFAULT
PROGRAMPROGRAM kWkW
V
A
DC Bus
Regenerative Power Supply
8720MC-RPS065-BM-HV2
Common Bus Leader
Line Reactor
8720MC-LRxx
Three-phase
Input Power
Varistor (8720MC-VA-B)
Included with
8720MC-RPS065-BM-HV2.
Harmonic Filter (8720MC-HF-B2)
Included with
8720MC-RPS065-BM-HV2.
Magnetic
Contactor
24V DC
Control Power
1606-XLxxx
AC Line Filter 8720MC-RFI80
(required for CE)
Input
Fusing
Three-phase
Input Power
Magnetic
Contactor
Input
Fusing
Line Reactor
8720MC-LRxx
Regenerative
Power Only
Kinetix 7000 Drive
2099-BMxx-S
Common Bus Follower
Control Power
Supply Input
AC Line Filter
2090-XXLF-TCxxxx
(required for CE)
HPK-Series, RDD-Series, and
MP-Series (Bulletin MPL or MPM)
Servo Motors