Instruction Manual
Table Of Contents
- Front Cover
- About This Publication
- Important User Information
- Catalog Number Explanation
- Field Replaceable Components
- Remove/Replace the Front Cover
- Remove the Circuit Breakers
- Replace the Circuit Breakers
- Remove the Auxiliary Contact
- Replace the Auxiliary Contact
- Remove and Replace the Fuse Block
- Replace the (FB1) Fuses
- Remove the Cooling Fan
- Replace the Cooling Fan
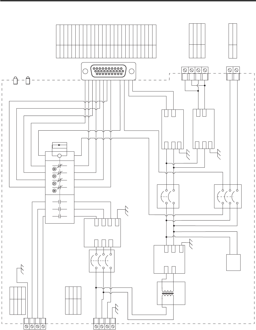
- Block Diagrams
- Additional Resources
- Back Cover

Publication 2094-IN009C-EN-P — April 2008
20 Removing and Replacing the Line Interface Module Internal Components
LIM Module Block Diagram (2094-BL02)
LF2
L1
L2
PE
L1'
L2'
L3
L3'
Three-phase, 1-Stage
Line Filter (460VAC)
L1
L2
PE
L1'
L2'
Single-phase, 1-Stage
Line Filter (230VAC)
L1
L2
PE
24+
2 A Power Supply
PS1
24-
IOL: STATUS I/O
Pin 1
Pin 2
Pin 3
Pin 4
CPL: CONTROL POWER
CPL
L2/N
L1
Pin 2
PSL: I/O 24V DC OUTPUT
PSL
Pin 1
2
1
1
2
3
4
MBRK_PWR
MBRK_COM
MBRK_PWR
MBRK_COM
24V Status LEDs
IOL
9
1
10
19
18
26
Pin 14
Pin 13
Pin 12
Pin 11
Pin 1
Pin 2
Pin 3
Pin 4
Pin 6
Pin 7
Pin 17
Pin 8
Pin 18
Pin 10
Pin 20
Pin 19
Pin 15
Pin 16
Pin 5
Pin 9
Pin 21
Pin 22
Pin 23
Pin 24
Pin 25
Pin 26
N/C
N/C
N/C
COIL_A2
N/C
CONSTAT_12
CONSTAT_22
CONSTAT_32
CONSTAT_42
N/C
N/C
N/C
COIL_A1
N/C
CONSTAT_11
CONSTAT_21
CONSTAT_31
CONSTAT_41
N/C
IO_COM
IO_COM
IO_COM
N/C
IO_PWR
IO_PWR
IO_PWR
TX1
460V to 230V
750VA XFMR
1
3
2
4
CB3
CB2
3
5
4
6
12
Cooling Fan
FAN_1
FAN_2
L1
L2/N
L3_OUT
L2_OUT
L1_OUT
IPL
Pin 4
Pin 3
Pin 2
Pin 1
PE
L3
L2
L1
IPL: VAC LINE INPUT
OPL
OPL: VAC LOAD OUTPUT
1
2
3
4
1
2
3
4
Pin 1
Pin 2
Pin 3
Pin 4
PE
L3'
L2'
L1'
L3_IN
L2_IN
L1_IN
CR1
100S-C85
11
12
21
22
31
32
A1
A2
41
42
5
3
1
6
4
2
1
3
2
4
6
5
CONSTAT_12
CONSTAT_22
CONSTAT_32
CONSTAT_42
COIL_A2
CONSTAT_41
CONSTAT_31
CONSTAT_21
CONSTAT_11
CONSTAT_42
CONSTAT_41
CONSTAT_32
CONSTAT_31
CONSTAT_22
CONSTAT_21
CONSTAT_12
CONSTAT_11
COIL_A2
COIL_A1
IO_PWR
IO_COM
IO_PWR
IO_COM
L1
L2
PE
24+
6 A Power Supply
PS2
24-
CB1
LF1
MBRK_PWR
MBRK_COM
D1
COIL_A1
CB2_AUX