Instruction Manual
Table Of Contents
- Front Cover
- About This Publication
- Important User Information
- Catalog Number Explanation
- Field Replaceable Components
- Remove/Replace the Front Cover
- Remove the Circuit Breakers
- Replace the Circuit Breakers
- Remove the Auxiliary Contact
- Replace the Auxiliary Contact
- Remove and Replace the Fuse Block
- Replace the (FB1) Fuses
- Remove the Cooling Fan
- Replace the Cooling Fan
- Block Diagrams
- Additional Resources
- Back Cover

Publication 2094-IN009C-EN-P — April 2008
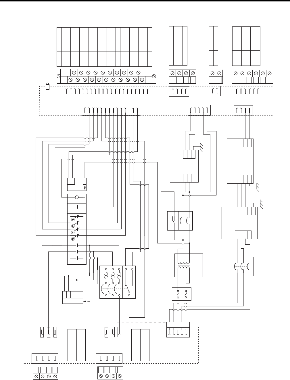
Removing and Replacing the Line Interface Module Internal Components 17
LIM Module Block Diagram (2094-BLxxS)
CB2
11
14
12
1
3
2
4
1
3
2
4
CB3
FB1
1
3
2
4
5
6
3
4
1
2
11
12
21
22
31
32
41
42
A1
A2
53
54
N/C
N/C
LF 2
IOL
LF 1
100-JE
E2
E1
A1
IPL
Pin 1
Pin 2
Pin 3
Pin 4
PE
L3
L2
L1
IPL: VAC LINE
OPL
OPL: VAC LOAD
Pin 1
Pin 2
Pin 3
Pin 4
PE
L3'
L2'
L1'
1
2
3
4
1
2
3
4
IPL
OPL
Interface PCB
L3
L2
L1
ALRM_COM
1
3
2
4
6
AL
1c
B
M
5
CB1 (Bulletin 140U)
L3'
L2'
L1'
CR1
CONSTAT_12
CONSTAT_22
CONSTAT_32
CONSTAT_54
COIL_A2
CONSTAT_53
CONSTAT_31
CONSTAT_21
CONSTAT_11
CONSTAT_54
CONSTAT_32
CONSTAT_22
CONSTAT_12
ALRM_COM
ALRM_B
COIL_E1
CONSTAT_53
CONSTAT_31
CONSTAT_21
CONSTAT_11
ALRM_M
COIL_E2
Pin 14
Pin 13
Pin 12
Pin 11
Pin 1
Pin 2
Pin 3
Pin 4
Pin 6
Pin 7
Pin 17
Pin 8
Pin 18
Pin 10
Pin 20
Pin 19
Pin 15
Pin 16
Pin 5
Pin 9
Pin 21
IO_PWR1
IO_COM1
IO_PWR1
IO_COM1
IO_PWR1
IO_COM1
COIL_E1
COIL_E2
ALRM_M
SHIELD
ALRM_B
ALRM_COM
CONSTAT_11
CONSTAT_12
CONSTAT_21
CONSTAT_22
CONSTAT_31
CONSTAT_32
CONSTAT_53
CONSTAT_54
SHIELD
IOL: STATUS I/O
1
2
3
4
5
6
7
8
9
10
11
12
13
14
15
16
17
18
19
20
21
1
2
21
20
IOL
24V Status LED
ALRM_B
ALRM_M
ALRM_M
ALRM_COM
ALRM_B
65
L1
L2
PE
L1'
L2'
6
7
8
9
10
L3
N
1
2
3
4
L3'
N'
Three-phase, 1-Stage
Line Filter (460VAC)
IO_PWR1
IO_COM1
IO_PWR2
IO_COM2
L1
L2
PE
24+
24+
20 A Power Supply
PS1
24-
24-
COIL_A2
L1
L2
PE
L1'
L2'
1
2
3
4
Single-phase, 1-Stage
Line Filter (230VAC)
5
Pin 6
Pin 5
Pin 4
Pin 3
Pin 2
Pin 1
P2L
P2L: AUXILIARY PWR OUTPUT
AUX1_L2
AUX1_L1
AUX2_L2
AUX2_L1
Pin 1
CPL: CONTROL PWR OUTPUT
CPL
CTRL 2
CTRL 1
Pin 1
P1L: BRAKE AND I/O OUTPUT
P1L
Pin 2
Pin 4
Pin 3
Pin 2
6
5
4
3
2
1
2
1
4
3
2
1
IO_PWR2
IO_COM2
IO_PWR2
IO_COM2
IO_PWR2
IO_COM2
4
3
2
1
2
1
6
5
4
3
2
1
CTRL1
CTRL2
Interface PCB
P2L
CPL
P1L
COIL_E2
COIL_E1
L3
TX1
460V :: 230V
750VA
L3
L1
L1
L2
L2
AUX1_L2 and AUX2_L2
AUX1_L1 and AUX2_L1
1
2
3
4
1
2
3
4
J4 P4
J4_B
1
2
3
4
5
(P4)
1
1