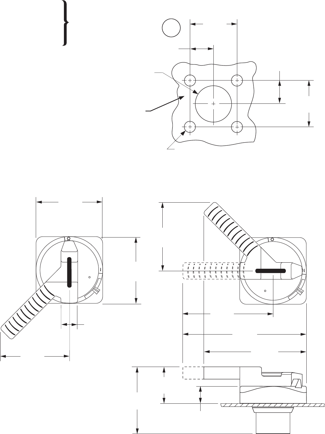
Operating Handle User guide

Cover Thickness
Epaisseur du panneau
Deckelstärke
Grosor de la tapa
Espessura da tampa
Spessore del panello
1.6 - 4.8
(1/16 - 3/16)
Front of Cover
Partie frontale du panneau
Vorderseite des deckels
Frente de la tapa
Frente da tampa
Parte frontale del panello
O
F
F
O
N
103.4
(4 - 5/64)
106.4
(4 - 3/16)
103.4
(4 - 5/64)
103.2
(4 - 1/16)
191.7
(7 - 35/64)
26
(1 - 1/32)
O
F
F
O
N
26.5
(1 - 3/64)
58
(2 - 9/32)
140
(5 - 33/64)
106.4
(4 - 3/16)
158.1
(6 - 7/32)
75
(2 - 61/64)
37.5
(1 - 15/32)
37.5
(1 - 15/32)
4 - ø 5.5
(4 - ø 7/32)
ø 65
(ø 2 - 9/16)
mm
(in.)
75
(2 - 61/64)