USER MANUAL
Table Of Contents
- 1791-6.5.1, Block I/O, User Manual
- Important User Information
- Summary of Changes
- Table of Contents
- 1 - Using This Manual
- 2 - Introducing Block I/O
- 3 - Installing Block I/O
- 4 - Configuring Your Block I/O for PLC Family Programmable Controllers
- 5 - Configuring Your Block I/O for SLC Controllers
- 6 - Troubleshooting
- A - Specifications
- Index
- Back Cover

Configuring Your Block I/O for PLC
Family Programmable Controllers
Chapter 4
44
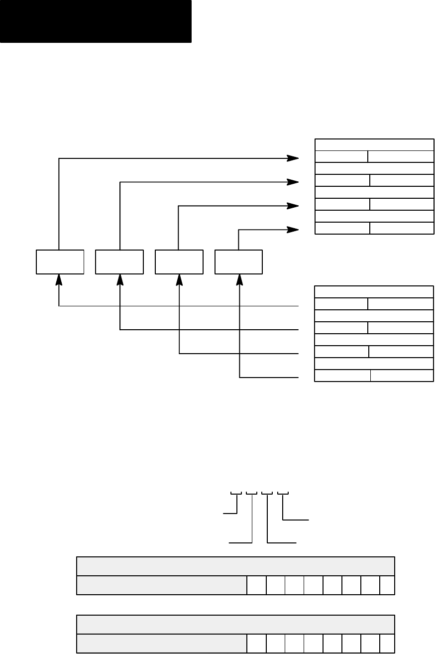
Figure 4.2
I/O
Image T
able for One Assigned Rack Number with 1791-IOBA
017
Output Image
Input Image
Reserved
Reserved
Reserved
Reserved
Reserved
0
1
2
3
4
5
6
7
Reserved
Reserved
Reserved
710
017
Reserved
Reserved
Reserved
Reserved
Reserved
0
1
2
3
4
5
6
7
Reserved
Reserved
Reserved
710
Rack 1
For 1791-IOBA - 7-0 input and 7-0 output image bits
1791-IOBA1791-IOBA1791-IOBA1791-IOBA
10837-I
Figure 4.3
Input
T
able Usage Example for One Starting I/O Group with 1791-IOBA
11 10
11107654321
Reserved
Reserved
110
111
010
011
Starting
I/O Group
0
7654321
Reserved
Reserved
0
0
Block Data
Block Data
Input
Image
Output Image
T
ype of I/O
I/O Rack Number
I/O Group Number
I/O Bit
11000
1 = Input
0 = Output
Example
10838-I