User Manual Owner's manual
Table Of Contents
- 1772-6.5.8, Mini-PLC-2/02, -2/16, -2/17 Processor, User Manual
- Important User Information
- Summary of Changes
- Table of Contents
- 1 - Using This Manual
- 2 - Fundamentals of a Programmable Controller
- 3 - Hardware Features
- 4 - Installing Your Programmable Controller
- 5 - Starting Your Processor
- 6 - Maintaining and Troubleshooting Your Processor
- 7 - Memory Organization
- 8 - Scan Theory
- 9 - Relay-Like Instructions
- 10 - Program Control Instructions
- 11 - Timers and Counters
- 12 - Data Manipulation and Compare Instructions
- 13 - Three-Digit Math Instructions
- 14 - EAF Math Instructions
- 15 - EAF Log, Trig, and FIFO Instructions
- 16 - EAF Process Control Instructions
- 17 - Jump Instructions and Subroutines
- 18 - Block Transfer
- 19 - Data Transfer Instructions
- 20 - Bit Shift Registers
- 21 - Sequencers
- 22 - Selectable Timer Interrupts
- 23 - Report Generation
- 24 - Program Editing
- 25 - Programming Techniques
- 26 - Program Troubleshooting
- A - Specifications
- B - Processor Comparison Chart
- C - Number Systems
- D - Glossary
- E - Quick Reference
- Index
- Back Cover

Installing Your
Programmable Controller
Chapter 4
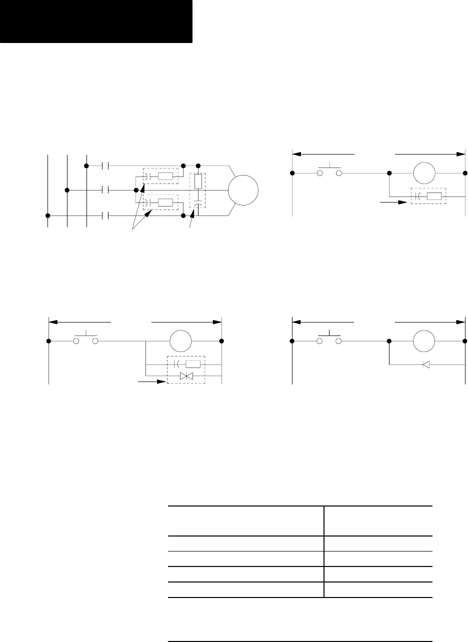
4-12
Figure 4.4
Typical
Suppression Networks
+–
12057-I
Electro Cube Inc.
Part No. RG 167613
3phase motor
AllenBradley
Catalog No. 1691N2
120V ac
230V/460V ac
Electro Cube Inc.
Part No. RG 167614
120V ac V dc
Suppressor for 3phase apparatus Suppressor for small apparatusSuppressor for 3phase apparatus Suppressor for small apparatus
Suppressor for large apparatus Suppressor for dc relays
Table 4.B
AllenBradley Suppressors
AllenBradley Equipment Suppressor Catalog
Number
Motor Starter Bulletin 509 599K04
1
Relay Bulletin 700 Type N or P 700N24
2
Motor Starter Bulletin 709 1401N10
1
Miscellaneous 700N24
3
1
For starters with 120V ac coils.
2
Maximum coil voltage 150V ac or dc.
3
The Bulletin 700N24 is a universal surge suppressor. It can be used on
electromagnetic devices with the limitation of 35 sealed VA, 150V.