User Manual Owner's manual
Table Of Contents
- 1772-6.5.8, Mini-PLC-2/02, -2/16, -2/17 Processor, User Manual
- Important User Information
- Summary of Changes
- Table of Contents
- 1 - Using This Manual
- 2 - Fundamentals of a Programmable Controller
- 3 - Hardware Features
- 4 - Installing Your Programmable Controller
- 5 - Starting Your Processor
- 6 - Maintaining and Troubleshooting Your Processor
- 7 - Memory Organization
- 8 - Scan Theory
- 9 - Relay-Like Instructions
- 10 - Program Control Instructions
- 11 - Timers and Counters
- 12 - Data Manipulation and Compare Instructions
- 13 - Three-Digit Math Instructions
- 14 - EAF Math Instructions
- 15 - EAF Log, Trig, and FIFO Instructions
- 16 - EAF Process Control Instructions
- 17 - Jump Instructions and Subroutines
- 18 - Block Transfer
- 19 - Data Transfer Instructions
- 20 - Bit Shift Registers
- 21 - Sequencers
- 22 - Selectable Timer Interrupts
- 23 - Report Generation
- 24 - Program Editing
- 25 - Programming Techniques
- 26 - Program Troubleshooting
- A - Specifications
- B - Processor Comparison Chart
- C - Number Systems
- D - Glossary
- E - Quick Reference
- Index
- Back Cover

Installing Your
Programmable Controller
Chapter 4
4-10
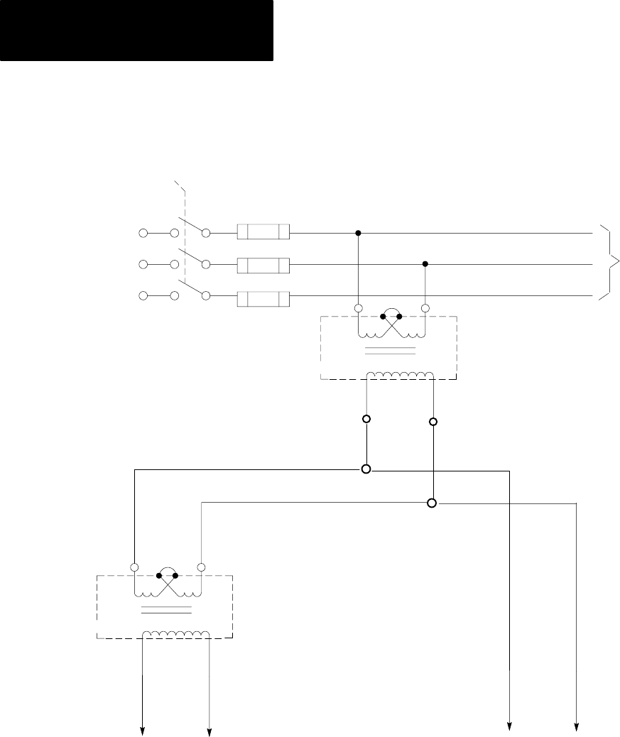
Figure 4.3
Power
Supplies and Input Circuits Receiving Power through a
Separate Transformer
L1
L2
L3
1FU
2FU
3FU
H
L1
L2
L3
H
1
4
H
3
H
2
X
1 X
2
HH
1
4
H
3
H
2
X
1 X
2
10302-I
to motor starters
stepdown
transformer
incoming ac
disc
to power supplies
and input circuits
isolation/constantvoltage
transformer
to output circuits
Ground
Connection
When bringing ac power into the enclosure, do not connect its raceway
through an equipment-grounding conductor to the ground bus on the
back-panel. The raceway should be grounded elsewhere. Connecting the
raceway to the ground bus would cause a ground loop.