User Manual Owner's manual
Table Of Contents
- 1772-6.5.8, Mini-PLC-2/02, -2/16, -2/17 Processor, User Manual
- Important User Information
- Summary of Changes
- Table of Contents
- 1 - Using This Manual
- 2 - Fundamentals of a Programmable Controller
- 3 - Hardware Features
- 4 - Installing Your Programmable Controller
- 5 - Starting Your Processor
- 6 - Maintaining and Troubleshooting Your Processor
- 7 - Memory Organization
- 8 - Scan Theory
- 9 - Relay-Like Instructions
- 10 - Program Control Instructions
- 11 - Timers and Counters
- 12 - Data Manipulation and Compare Instructions
- 13 - Three-Digit Math Instructions
- 14 - EAF Math Instructions
- 15 - EAF Log, Trig, and FIFO Instructions
- 16 - EAF Process Control Instructions
- 17 - Jump Instructions and Subroutines
- 18 - Block Transfer
- 19 - Data Transfer Instructions
- 20 - Bit Shift Registers
- 21 - Sequencers
- 22 - Selectable Timer Interrupts
- 23 - Report Generation
- 24 - Program Editing
- 25 - Programming Techniques
- 26 - Program Troubleshooting
- A - Specifications
- B - Processor Comparison Chart
- C - Number Systems
- D - Glossary
- E - Quick Reference
- Index
- Back Cover

Quick Reference
Appendix E
E-16
130
EXECUTE AUX
FUNCTION
FUNCTION NUMBER:
DATA ADDR:
RESULT ADDR:
28
030
050
050 060
000
G
040
000
G
041
000
G
042
000
G
043
000
G
00 15
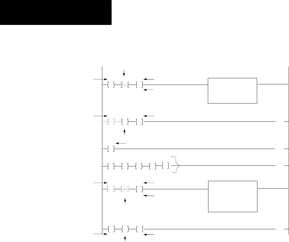
FIFO Load
Conditioning Bit
Current Data
Being Loaded
File Full Bit
030
G
031 032
060
G
040 005
File Address
Result Word Address (Number of Words Currently in File)
Input Word Address
File Length
G ( )
070
00
050
000
G
( )
070
00
044
000
G
( )
070
00
The File
130
EXECUTE AUX
FUNCTION
FUNCTION NUMBER:
DATA ADDR:
RESULT ADDR:
29
033
050
050 061
000
G
01 14
FIFO Unload
Conditioning Bit
Current Data
Being Unloaded
Output Word Address
FIle Enpty Bit
033
G
034 035
061
G
040 005
G
File Length
( )
070
00
Output Word AddressFile Address
Input Word Address
FIFO Load and FIFO Unload