Owner manual

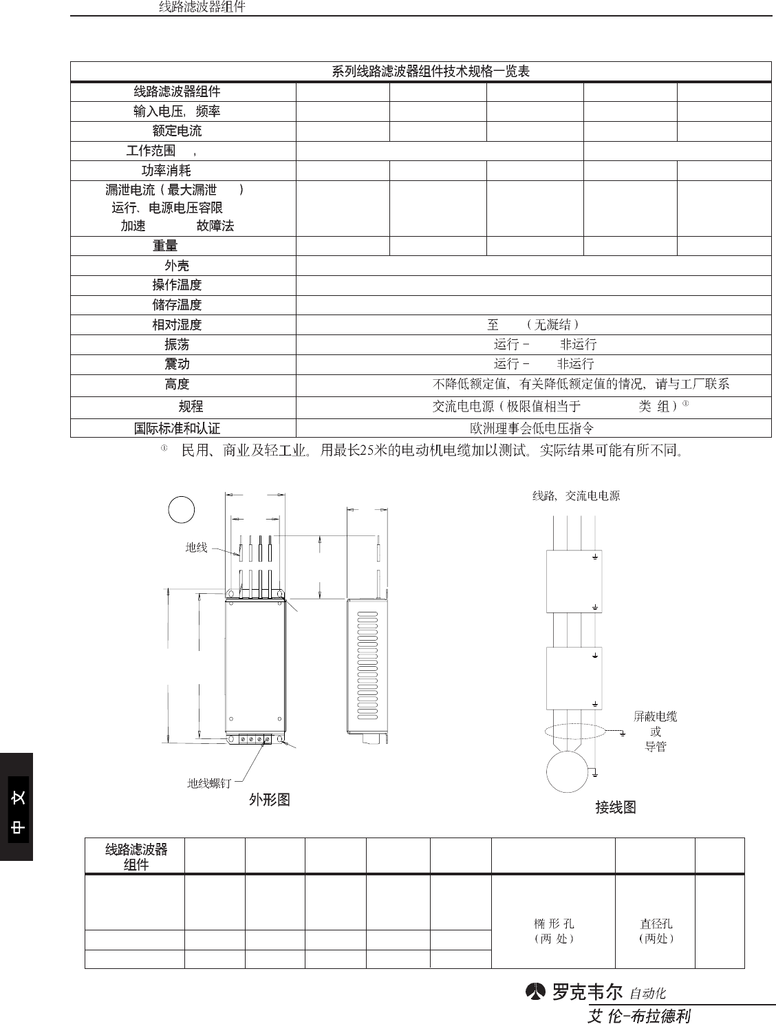
L1 L2
L3
L1’ L2’ L3’
R
L1
S
L2
T
L3
160S–RFA__
160–RFB__
160 SSC
T1
U
T2
V
T3
W
M
LINE, AC MAINS
SHIELDED CABLE
OR
CONDUIT
mm
(in.)
B
GROUND WIRE
GROUND SCREW
E
C
A
D
G
F
H
14
160
160S-RFA-6-A 160S-RFA-10-A 160S-RFA-16-A 160-RFB-3-A 160-RFB-9-A
1
~
/ 200-240V 1
~
/ 200-240V 1
~
/ 200-240V 3
~
/ 200-460V 3
~
/ 200-460V
6.5A 10A 16.3A 3.5A 9.5A
(V) (Hz) 180-265V, 43-62 Hz 180-506V, 48-62 Hz
(W) 4 W 6.4 W 10 W 3 W 8 W
mA
3% 3.27 mA 3.27 mA 3.27 mA 1.52 mA 2.06 mA
EN60950 3.27 mA 3.27 mA 3.27 mA 19.6 mA 28.3 mA
(kg) 0.46 kg 0.46 kg 0.46 kg 0.55 kg 0.77 kg
IP 20
0 C to 50 C
-25 C to 85 C
0 95%
1.0 G 2.5 G
15 G 30 G
1,000 m (3,200 ft.)
EMC EN 50081-1 EN 55011 B 1
Publication RF-160ML – December 1997
ABCD E F G H
160S-RFA-6-A
160S-RFA-10-A 182 (7.17) 75.0 (2.95) 30.0 (1.18) 167.0 (6.57) 60.0 (2.36)
160S-RFA-16-A
160-RFB-3-A 182 (7.17) 75.0 (2.95) 35.0 (1.38) 167.0 (6.57) 60.0 (2.36)
160-RFB-9-A 182 (7.17) 75.0 (2.95) 47.5 (1.87) 167.0 (6.57) 60.0 (2.36)
6.5 x 4.5 (0.26 x 0.18)
4.2 (0.17)
200
(7.87)
'