User Manual
Table Of Contents

3-18 Installation and Wiring
1503-UM 052D-EN-P – June 2013
MOV
32
1
EC
-
+
4
TCO
12
11
AUX CCO
5
6
L1 L2/NG
+ -
CLOSE
OVERLOAD
CONTROL
POWER
FUSE
*
CONTROL POWER
M-IV
9 10
CLOSE
CC
M-IV
M
MOV
TC
M
+ -
M-IV
7 8
OPEN
OPEN
CAPACITOR
OVERLOAD
*
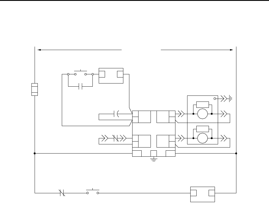
Refer to Table 3.A for recommended fuse sizing.
Figure 3.11 – Mechanical Latch Contactor with Capacitor Trip Option