User Manual
Table Of Contents

3-16 Installation and Wiring
1503-UM 052D-EN-P – June 2013
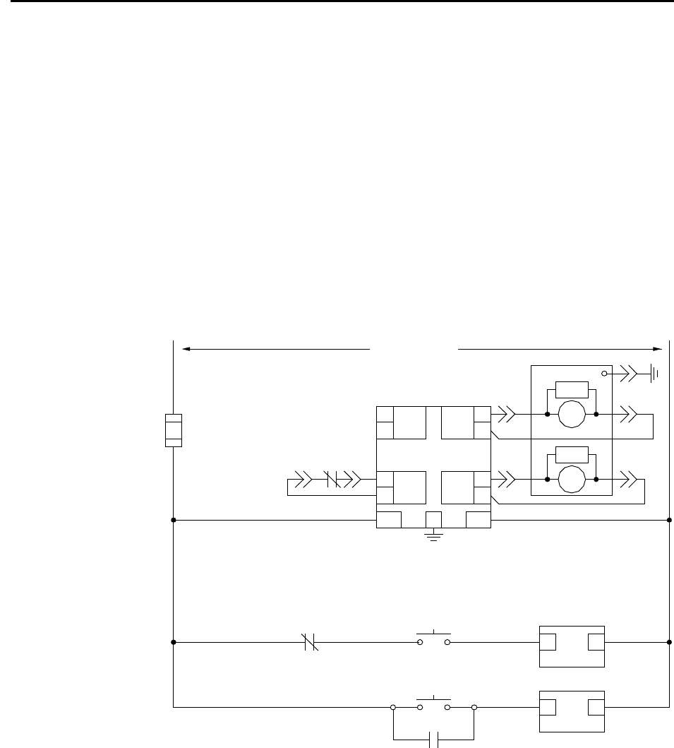
IntelliVAC control may be used for mechanical latch contactors.
A momentary control signal is needed to close the contactor, and a second
momentary control signal is needed to open the contactor. The
momentary open/close commands must be at least 50 milliseconds in
duration.
Refer to Figure 3.10 for a typical mechanical latch control scheme.
Note:
1. A mechanical latch contactor may already be closed when power is
applied to the IntelliVAC control module.
2. It is permissible to apply an open command to the IntelliVAC
module as power is re-applied.
MOV
32
1
EC
-
+
4
TCO
12
11
AUX CCO
5
6
L1 L2/NG
+ -
CLOSE
OVERLOAD
CONTROL
POWER
FUSE
*
CONTROL POWER
M-IV
9 10
CLOSE
CC
M-IV
M
MOV
TC
M
+ -
M-IV
7 8
OPEN
OPEN
OVERLOAD
* Refer to Table 3.A for recommended fuse sizing.
Figure 3.10 – Mechanical Latch Contactor Control
Wiring Guidelines Mechanical
Latch Contactors