User Manual
Table Of Contents

Installation a nd Wiri ng 3-15
1503-UM052D-EN-P – June 2013
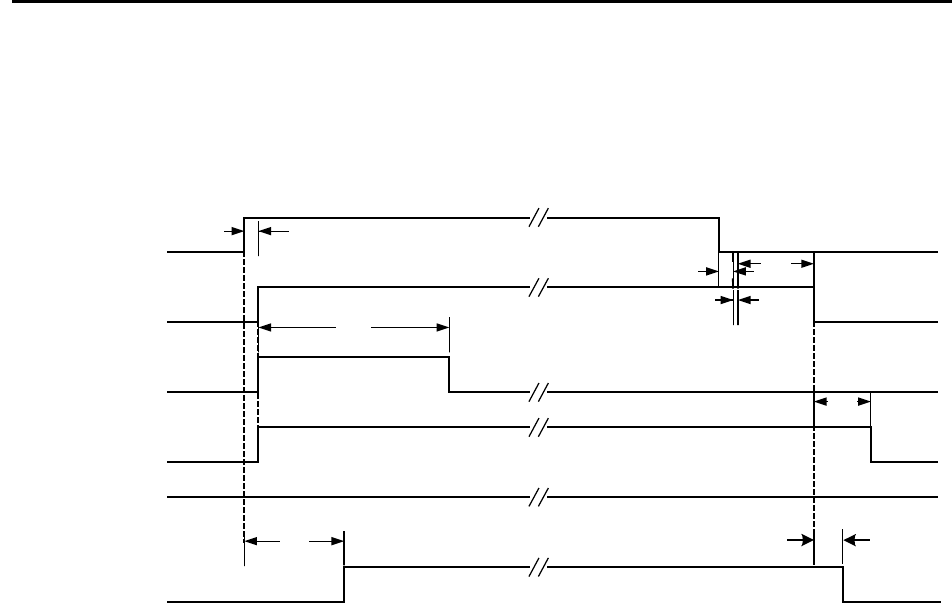
CLOSE COMMAND
TO MICRO
MICRO OUTPUT
TO CLOSE COIL
CONTACTOR STATUS
RELAY OUTPUT
CONTACTOR
AUXLIARY
INPUT TO MICRO
CLOSE LEVEL OF
CURRENT TO CLOSE
COIL
MODULE STATUS
RELAY OUTPUT
Contact status relay closes on request to close. It will open if the contactor auxiliary contact does not close within 200 milliseconds and
module will fault (opening module status relay).
15mS
200mS
90mS
(@120VAC)
80mS
60mS
5mS
SELECTABLE DROP
OUT TIME
(0 TO 190mS)
CLAMP DELAY
DEBOUNCE
NATURAL
CONTACTOR
DROP OUT
CONTACTOR PICK UP
ACKNOWLEDGE
WINDOW
DEBOUNCE
30mS
For this example, the 130 millisecond drop-out time has been selected. The base drop-out time is 50 milliseconds. The microcontroller delay is
130-50=80 milliseconds.
15mS
Figure 3.9 – Timing Diagram 400A (Electrically Held) Contactor
for IntelliVAC Control with three-wire Control
Wiring Guidelines Electrically
Held Contactors (cont.)