User Manual
Table Of Contents

Installation a nd Wiri ng 3-5
1503-UM052D-EN-P – June 2013
*
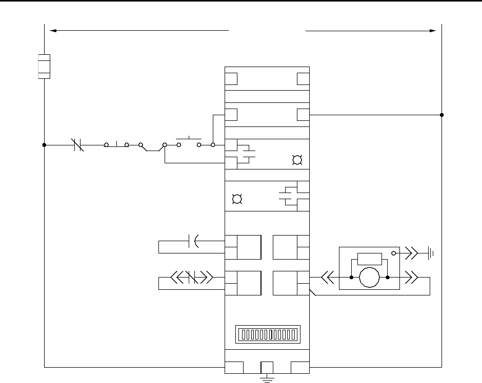
Refer to Table 3.A for recommended fuse sizing.
MOV
32
1
EC
-
+
4
TCO
12
11
AUX CCO
5
6
L1 L2/NG
+ -
STOP
START
OVERLOAD
CONTROL
POWER
FUSE
*
7 8
OPEN
16
15
CONTACTOR
STATUS
M
M-INTELLIVAC
M
CAPACITOR
(OPTIONAL)
+ -
9 10
CLOSE
14
13
MODULE
STATUS
INPUT POWER
CONFIGURATION
DIP SWITCHES
*
-
+
+ -
*
7 8
+ -
CONTROL POWER
Figure 3.3 – IntelliVAC Typical Schematic (Electrically Held Vacuum Contactor)