Manual

PN-114284
DIR 10000060095 (Version 01)
Publication 1492-IN042B-EN-E
VI. Wiring Diagrams (Cont’d)
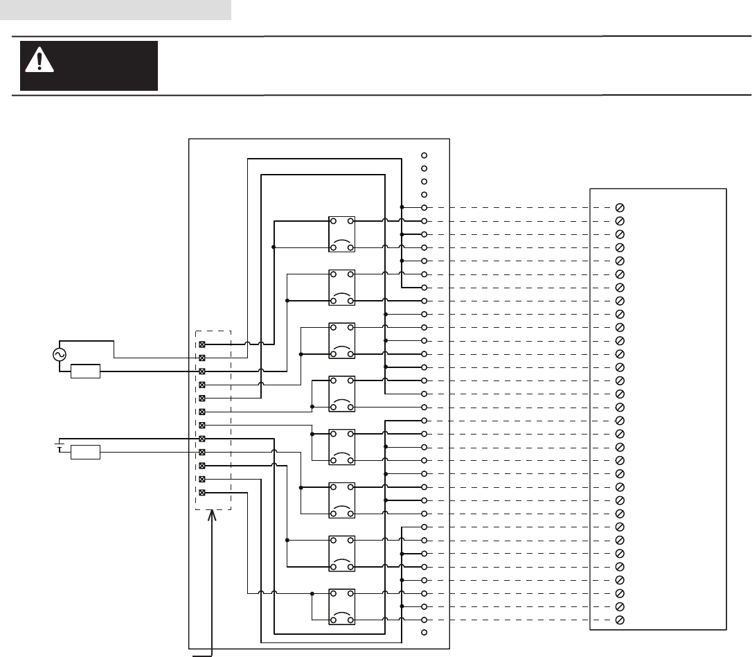
There are several key application considerations and system specifications (bottom of drawing) when
using these components (conversion module, cable and input module). Read and understand these
considerations before installation.
WARNING
Conversion Module
1492-CM1771-LD012
1771-WD Swing Arm
From 1771-OW
Cable
1492-CONCAB005Y
Conversion: 1771-OW to 1756-OX8I
Conversion Module Installation and Application Considerations
This Bul. 1492 cable consists of a cable wired to one 1756-OX8I RTB. Recommended cable lengths of 0.5M or 1.0M (005=0.5M),
010=1.0M). See table 2 for other lengths.
The 1771-OW module output resistive current limits versus 1756-OX8I limits are as follows:
(NOTE: For switching and inductive current ratings, refer to the modules Installation Instructions)
1771-OW 1756-OX8I w/ 1492-CONCAB005Y
a) Current/Point 0.2A @ 138V AC 2A @ 240V AC
1A @ 30V DC 2A @ 30V DC
0.25A @ 125V DC 0.25A @ 125V DC
The 1771-OW module had a jumper selection of N.O. and N.C. outputs. The 1756-OX8I has both N.O. and N.C. outputs, but
selection is by wiring termination on the 1756 swing arm. The 1492-CM1771-LD012 conversion module replaces the functionality
of the 1771-OW jumpers with eight jumpers (JMP0 through JMP7). In the default position, the output will be N.O. If a N.C. output is
required, change the jumper from pins 1-2 to pins 3-4.
Refer to your 1771-OW and 1756-OX8I Installation Manual wiring schematics and diagrams for more details. Ensure 1756 output
module ratings are not exceeded. [Reference Doc: 41170-941 (Version 01)]
(10)
4
3
2
1
N.C.
N.O.
4
3
2
1
N.C.
N.O.
4
3
2
1
N.C.
N.O.
4
3
2
1
N.C.
N.O.
4
3
2
1
N.C.
N.O.
4
3
2
1
N.C.
N.O.
L1-0
OUT-0 N.C.
L1-0
OUT-0 N.O.
L1-1
OUT-1 N.C.
L1-1
OUT-1 N.O.
L1-2
OUT-2 N.C.
L1-2
OUT-2 N.O.
L1-3
OUT-3 N.C.
L1-3
OUT-3 N.O.
L1-4
OUT-4 N.C.
L1-4
OUT-4 N.O.
L1-5
OUT-5 N.C.
L1-5
OUT-5 N.O.
L1-6
OUT-6 N.C.
L1-6
OUT-6 N.O.
L1-7
OUT-7 N.C.
L1-7
OUT-7 N.O.
1
2
3
4
5
6
7
8
9
10
11
12
13
14
15
16
17
18
19
20
21
22
23
24
25
26
27
28
29
30
31
32
33
34
35
36
37
Orange
Blue
White/Black
Red/Black
Green/Black
Orange/Black
Blue/Black
Black/White
Red/White
Green/White
Blue/White
Black/Red
White/Red
Orange/Red
Blue/Red
Red/Green
Orange/Green
Black/White/Red
White/Black/Red
Red/Black/White
Green/Black/White
Orange/Black/White
Blue/Black/White
Black/Red/Green
White/Red/Green
Red/Black/Green
Green/Black/Orange
Orange/Black/Green
Blue/White/Orange
Black/White/Orange
White/Red/Orange
Orange/White/Blue
4
3
2
1
N.C.
N.O.
JMP7
4
3
2
1
N.C.
N.O.
JMP6
JMP5
JMP4
JMP3
JMP2
JMP1
JMP0
1
2
3
4
5
6
7
8
9
10
11
12
LOAD
L1
L2
LOAD
+
-
Out-0 N.O./N.C.
+V0/1
Out-1 N.O./N.C.
Out-2 N.O./N.C.
+V2/3
Out-3 N.O./N.C.
Out-4 N.O./N.C.
+V4/5
Out-5 N.O./N.C.
Out-6 N.O./N.C.
+V6/7
Out-7 N.O./N.C.
2
1
4
3
6
5
8
7
10
9
12
11
14
13
16
15
18
17
20
19
22
21
24
23
26
25
28
27
30
29
32
31
1756-OX8I