Reference Adapter Board User guide
Table Of Contents

Chapter 6
StartUp
6-3
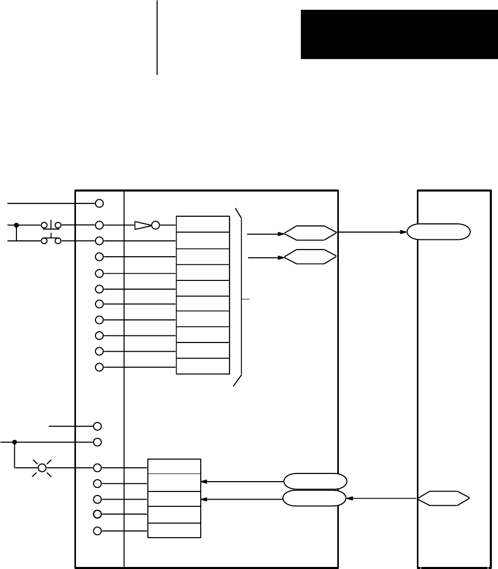
Figure 6.1
Digital
Reference Adapter (Mounted in Port A)
DIGITAL REFERENCE ADAPTER
(Mounted in Port A)
583
584
585
586
587
588
589
590
591
592
151
400
405
Main Control
Board
53
43
44
45
46
47
48
49
50
51
52
454
558
559
560
561
562
54
55
56
57
61
62
58
450
100
+
Stop*
Jog*
24V DC*
Power Supply
Parameters
Logic
Command
Logic
Command
Logic
Status
*
24V DC*
Power Supply
COM
*Supplied by user
TB3